113 files
-
Tiller 36in 1968-1973 7-1211 OM IPL SN.pdf
By admin-(Admin)
Operator manual #A-5144
IPL
6 pages 837.56KB
Dated 10/69
Fits 6-speed and Wheel-A-Matic models
Front drive belt for short frame models 867, 875, 876, 87 and 1075 #1576 replaced by 9691 (HA x 70" or 1/2" x 70")
Front drive belt for long frame models #1586 replaced by 9714 (HA x 76" or 1/2" x 76")
Rear drive belt for all #7358 (4L x 65.95" or 1/2" x 65.95")
Tiller 1968 36in model 7-1211
Tiller 1969 36in model 7-1211
Tiller 1970 36in model 7-1211
1970 serial numbers that have shown up for the 7-1211
712060 - Model year a guess
712390 - Model year a guess
Tiller 1971 36in model 7-1211
1971 serial numbers that have shown up for the 7-1211
808989 - Model 7-1211-6
809092 - Model 7-1211-6
809170 - Model 7-1211-6
Tiller 1972 36in model 7-1211
1972 serial numbers that have shown up for the 7-1211
873419 - Model 7-1211-7
873629 - Model 7-1211-7
Tiller 1973 36in model 7-1211
1973 serial numbers that have shown up for the 7-1211
0897986 - Model 7-1211-8
1,175 downloads
Updated
-
Tiller 36in 1978-1979 87-36TL01 & 97-36TL01 TIPL SN.pdf
By gwest_ca-(File Mod)
87-36TL01 IPL from Toro Master Parts Viewer
4 pages 332.73KB
97-36TL01 IPL from Partstree
19 pages 3.3MB
Fits C-Series except C-195
Drive belt # 1599 (HA x 139.00in 1/2" x 139")
If used on later twin-cylinder models use belt # 103635 which has been replaced by # 110265 (1/2" x 141.00")
Tiller 1978 36in model 87-36TL01 - original ipl 810024R1
1978 serial numbers that have shown up for the 87-36TL01
04734 - Build date 1978 8051 February 20 Monday
Tiller 1979 36in model 97-36TL01 - original ipl 810126R1 not available from Toro
1979 serial numbers that have shown up for the 97-36TL01
008879
008917 - Build date 1979 9040 February 09 Friday
009759 - Build date 1979 9054 February 23 Friday
010270 - Build date 1979 9065 March 06 Tuesday
010469
343 downloads
Updated
-
Plow Turning Brinly TT-500 OM IPL.pdf
By gwest_ca-(File Mod)
Operator manual
IPL
4 pages 383.41KB
PP-508
PP-510
PP-512
191 downloads
Updated
-
Tiller 32in 1969-1973 7-1221 OM IPL sn.pdf
By admin-(Admin)
Operator manual #A-5198
IPL
6 pages 671.92KB
Dated 7/69
Fits Charger and Commando V7 and V8 tractors, CG-7 and CG-8 tractors, 8hp 4-speed tractors with vertical engine crankshafts
Tiller drive belt for hydro transmission models 9430 (4L x 36.31" or 1/2" x 36.31")
Tiller drive belt for gear transmission models 9431 (4L x 39.6" or 1/2" x 39.6")
Note - Toro has the 7-1221 fitting the GT-14 which is not correct.
Tiller 1969 32in model 7-1221
Tiller 1970 32in model 7-1221
Tiller 1971 32in model 7-1221
Tiller 1972 32in model 7-1221
Tiller 1973 32in model 7-1221
185 downloads
Updated
-
Tiller 36in 1977 77-36TL01 OM IPL SN.pdf
By admin-(Admin)
Operator manual #803678R1
IPL
19 pages 1.26MB
Dated 10/76
Fits 1976 and later B-Series and C-Series tractors. Will fit older models with 105111 Service Assembly
Includes PSB's #220 #T010 #T91-P 14
Drive belt # 1599 (HA x 139.00in 1/2" x 139")
Twin-cylinder models use belt # 103635 which has been replaced by # 110265 (1/2" x 141.00")
Tiller 1977 36in model 77-36TL01
1977 serial numbers that have shown up for the 77-36TL01
006801 - Build date 1977 7058 February 27 Sunday
003772 - Build date 1977 7061 March 02 Wednesday
902 downloads
Updated
-
Tiller 36in 2001-2003 79271 260-Series OM SN.pdf
By gwest_ca-(File Mod)
Operator manual #3319-565RevB
20 pages 683.34KB
Fits 1994-1997 264-6, 264-H, 266-H Yard tractors
Tiller 2001 36in model 79271 Serial 210000001-210999999
2001 serial numbers that have shown up for the 79271
210000151
Tiller 2002 36in model 79271 Serial 220000001-220999999
Tiller 2003 36in model 79271 Serial 230000001-230999999
119 downloads
Updated
-
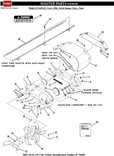
Tiller 36in 1986-1989 07-36TL03 TIPL SN.pdf
By gwest_ca-(File Mod)
IPL from Toro Master Parts Viewer
4 pages 300.95KB
Fits all 8-speed and Automatic tractors with long frame 45-1/2" wheel base (Except 800 and 800 Automatic)
Drive belt # 1599 (HA x 139.00in 1/2" x 139")
If used on later twin-cylinder models use belt # 103635 which has been replaced by # 110265 (1/2" x 141.00")
Tiller 1986 36in model 07-36TL03
1986 serial numbers that have shown up for the 07-36TL03
33563 - Could be a 1987 serial number
33659 - Could be a 1987 serial number
Tiller 1987 36in model 07-36TL03
1987 serial numbers that have shown up for the 07-36TL03
38041 - Build date 1986 6283 October 10 Friday
38093 - Build date 1986 6337 December 03 Wednesday
38213
Tiller 1988 36in model 07-36TL03
1988 serial numbers that have shown up for the 07-36TL03
45310 - Build date 1988 8019 January 19 Tuesday
45314 - Build date 1988 8019 January 19 Tuesday
45446 - Build date 1988 8019 January 19 Tuesday
45550 - Build date 1988 8024 January 24 Sunday
45571 - Build date 1988 802x January 2x
Tiller 1989 36in model 07-36TL03
1989 serial numbers that have shown up for the 07-36TL03
0060298 Build date 1989 923x August 18 to 27?
0060329
0060654
481 downloads
Updated
-
Tiller 50in 1983 07-50TL02 TIPL sn.pdf
By gwest_ca-(File Mod)
Illustrated parts list from Toro Master Parts Viewer
5 pages 312.65KB
Includes some assembly instructions
Fits 18hp Auto and D-Series Automatic tractors
Fits C-195 Twin Automatic with 3-point hitch
Tiller 1983 50in model 07-50TL02
159 downloads
Updated
-
Cultivator Rear and Mid 1969-1974 7-1722 34in OM IPL SN.pdf
By admin-(Admin)
Operator manual #A-5153
IPL
2 pages 789.3KB
1969 Mid and rear cultivator model 7-1722
Serial numbers that have shown up
1970 Mid and rear cultivator model 7-1722
1970 serial numbers that have shown up
712547
1971 Mid and rear cultivator model 7-1722
Serial numbers that have shown up
1972 Mid and rear cultivator model 7-1722
1972 serial numbers that have shown up
828993 - Model year a guess
1973 Mid and rear cultivator model 7-1722
Serial numbers that have shown up
1974 Mid and rear cultivator model 7-1722
1974 serial numbers that have shown up
0982839
242 downloads
Updated
-
Tiller 36in 1987 Tilling Kit 82823 TIPL.pdf
By gwest_ca-(File Mod)
IPL from Toro Master Parts Viewer
Ag tractor kit
Agricultural tractor kit
Possibly intended for the 1987 400-Series tractors
20 x 8.00-10 front wheels and tires used only with this tilling kit
27 x 8.50-15 6-stud rear wheels and ag tires used only with this tilling kit
Heavy duty 107124 front wheel bearings as used on HD front spindle kits and 1980-83 E-141 8-speed tractors
Rear axle 6-stud hubs 102372 used on D-Series Auto models and C-195 Twin Auto
Left and right foot rests used only with this tilling kit
Idler plate 111868 used only with this tilling kit
Spring anchor 100047 also used on 5-0600 style mower deck for front pto idler pulley tension
Eight cotter pins 908026 are not cotter pins but are 5/16"-18 x 2-3/4" bolts so part number must be wrong (8 cotter pins with 16 flat washers and 8 tube spacers shown in the illustration)
Eight tube spacers 106574 are also used on B-81 and B-111 4-speed tractors for the pto clutch tension
What tractor was this 1987 kit intended for?
Tiller 1987 36in model 82823 kit
Tiller 1987 36in model 8-2823 kit
190 downloads
Updated
-
Tiller 36in 2001 & 2003-2007 79370 IPL.pdf
By gwest_ca-(File Mod)
IPL #3325-784
8 pages 169.61KB
Fits 300, 400 and 500-Series tractors
Drive belt # 103635 which has been replaced by # 110265 (1/2" x 141.00")
Tiller 2001 36in model 79370 Serial 210000001-210999999
Tiller 2003 36in model 79370 Serial 230000001-230999999
Tiller 2004 36in model 79370 Serial ?
Tiller 2005 36in model 79370 Serial ?
Tiller 2007 36in model 79370 Serial ?
219 downloads
Updated
-
Cultivator Rear 1968 7-1711 34in OM IPL sn.pdf
By admin-(Admin)
Operator manual #105
IPL
Cultivator Rear 34in 1968 model 7-1711 - Formerly AC-7
150 downloads
Updated
-
Tiller 36in 1998-2000 79271 260-Series OM SN.pdf
By gwest_ca-(File Mod)
Operator manual #3319-565RevB
20 pages 683.34KB
79271 Fits 1994-1997 264-6, 264-H, 266-H Yard tractors
Tiller 1998 36in model 79271 Serial 8900001-8999999
1998 serial numbers that have shown up for the 79271
8900177
Tiller 1999 36in model 79271 Serial 9900001-9999999
Tiller 2000 36in model 79271 Serial 200000001-200999999
143 downloads
Updated
-
Tiller 50in 1975 7-1261 OM IPL SN.pdf
By admin-(Admin)
Operator manual #803873
IPL
4 pages 304.02KB
Dated 9/74
Formerly 7-1260
Fits 18hp Auto and D-Series Auto tractors
Requires 8-5422 3ph and 8-3222 pto Standard on the D-200
38" w/o extensions
Tiller 1975 50in model 7-1261
1975 serial numbers that have shown up for the 7-1261
098934
140452
474 downloads
Updated
-
Tiller 30in 1987-1989 07-30TL03 TIPL sn.pdf
By gwest_ca-(File Mod)
IPL from Toro Master Parts Viewer
4 pages 624.95KB
Model years a guess
Front drive belt 108971 (HA x 49.5" or 1/2" x 49.5")
Rear drive belt 108960 (HA x 88.5 or 1/2" x 88.5")
Tiller 1987 30in model 07-30TL03
Tiller 1988 30in model 07-30TL03
Tiller 1989 30in model 07-30TL03
193 downloads
Updated
-
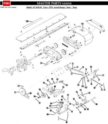
Tiller 36in 1976 67-36TL01 TIPL SN.pdf
By gwest_ca-(File Mod)
IPL from Toro Master Parts Viewer
5 pages 367.09KB
Fits B-Series and C-Series tractors
Drive belt # 1599 (HA x 139.00in 1/2" x 139")
If used on later twin-cylinder models use belt # 103635 which has been replaced by # 110265 (1/2" x 141.00")
Tiller 1976 36in model 67-36TL01
1976 serial numbers that have shown up for the 67-36TL01
014098 - Build date 1976 6083 March 23 Tuesday
014155 - Build date 1976 6084 March 24 Wednesday
015357
212 downloads
Updated
-
Tiller 36in 1977 77-36TL02 TIPL SN.pdf
By gwest_ca-(File Mod)
IPL from Toro Master Parts Viewer
4 pages 235.36KB
Drive belt # 1599 (HA x 139.00in 1/2" x 139")
If used on later twin-cylinder models use belt # 103635 which has been replaced by # 110265 (1/2" x 141.00")
Tiller 1977 36in model 77-36TL02
1977 serial numbers that have shown up for the 77-36TL02
004233 - Build date 1977 7066 March 07 Monday - Located in Sweden
004299 - Build date 1977 707x March
004634 - Build date 1977 7068 March 09 Wednesday - Located in the UK
157 downloads
Updated
-
Tiller 36in 1992 07-36TL05 OM IPL SN.pdf
By gwest_ca-(File Mod)
Operator manual #3314-767
12 pages 2.27MB
IPL #3315-210
8 pages 1.12MB
Fits 300, 400 and 500-Series tractors
Drive belt # 103635 which has been replaced by # 110265 (1/2" x 141.00")
Tiller 1992 36in model 07-36TL05 Serial 2000001-2999999
1992 serial numbers that have shown up for the 07-36TL05
2000007
2000397
1,054 downloads
Updated
-
Tiller 30in 1982-1986 07-30TL02 TIPL SN.pdf
By gwest_ca-(File Mod)
IPL from Toro Master Parts Viewer
4 pages 327.75KB
Front drive belt 108971 (HA x 49.5" or 1/2" x 49.5")
Rear drive belt 108960 (HA x 88.5 or 1/2" x 88.5")
Fits
1982 B-85 5-Speed model 02-08BX01
1982 B-115 5-Speed model 02-11BP05
1982 B-115 Automatic model 02-11BE01
1982 B-165 Twin 5-Speed model 02-16BP04
1982 B-165 Twin Automatic model 02-16BE01
1982 LT-1137 5-Speed model A2-113701
1982 LT-1637 Twin 5-Speed model A2-163701
1982 LT-1642 Twin 5-Speed model A2-164201
Tiller 1982 30in model 07-30TL02
1982 serial numbers that have shown up for the 07-30TL02
22110
22255
22370
22403
22563 - Build date 1982 2064 March 05 Friday
22652 - Build date 1982 2064 March 05 Friday
22656 - Build date 1982 2064 March 05 Friday
22706 - Build date 1982 2068 March 09 Tuesday
22709 - Build date 1982 2068 March 09 Tuesday [206x]
Tiller 1983 30in model 07-30TL02
Tiller 1984 30in model 07-30TL02
Tiller 1985 30in model 07-30TL02
Tiller 1986 30in model 07-30TL02
135 downloads
Updated
-
Cultivator Rear and Mid 1963-1964 AC-673 OM IPL sn.pdf
By admin-(Admin)
Operator manual #128
IPL
Lift link is # 3777
Cultivator Rear and Mid 1963 AC-673
Cultivator Rear and Mid 1964 AC-673
216 downloads
Updated
-
Plow Turning 8in 1976 67-08PL01 TIPL SN.pdf
By gwest_ca-(File Mod)
IPL from Toro Master Parts Viewer
2 pages 183.20KB
Plow Turning 1976 8in model 67-08PL01
1976 serial numbers that have shown up for the 67-08PL01
004374
004655
009195
102 downloads
Updated
-
Tiller 36in 1996-2001 79370 OM SN.pdf
By gwest_ca-(File Mod)
Operator manual #3318-329RevA
24 pages 1001.89 KB
Fits 300, 400 and 500-Series tractors
Tiller 1996 36in model 79370 Serial 6900001-6999999
1996 serial numbers that have shown up for the 79370
6900351
6900510
Tiller 1997 36in model 79370 Serial 7900001-7999999
1997 serial numbers that have shown up for the 79370
7900235
Tiller 1998 36in model 79370 Serial 8900001-8999999
1998 serial numbers that have shown up for the 79370
8900119
8900262
Tiller 1999 36in model 79370 Serial 9900001-9999999
1999 serial numbers that have shown up for the 79370
9900168
Tiller 2000 36in model 79370 Serial 200000001-200999999
2000 serial numbers that have shown up for the 79370
200000150
200000174
Tiller 2001 36in model 79370 Serial 210000001-210999999
326 downloads
Updated
-
Tiller 24in 1962-1963 WT-242 OM IPL SN.pdf
By admin-(Admin)
Operator manual #A-7139
IPL
2 pages 428.49KB
Self powered by vertical shaft engine
Drive belt 1579 replaced by 1554 (4L/A x 24 or 1/2" x 24")
Tiller 1962 24in model WT-242
1962 serial numbers that have shown up for WT-242
A-21136
A-21288
Tiller 1963 24in model WT-242
1963 serial numbers that have shown up for WT-242
A-32066
A-32244
161 downloads
Updated
-
Tiller 30in 1980-1982 07-30TL01 TIPL SN.pdf
By gwest_ca-(File Mod)
IPL from Toro Master Parts Viewer
4 pages 327.75KB
Front drive belt 108971 (HA x 49.5" or 1/2" x 49.5")
Rear drive belt 108960 (HA x 88.5 or 1/2" x 88.5")
Tiller 1980 30in model 07-30TL01
Tiller 1981 30in model 07-30TL01
1981 serial numbers that have shown up for the 07-30TL01
020072
020116 - Build date 1980 0356 December 21 Sunday
020187
020454 - Build date 1981 1055 February 24 Tuesday
Tiller 1982 30in model 07-30TL01
190 downloads
Updated
-
Tiller 40in 1976-1979 67-40TL01 TIPL sn.pdf
By gwest_ca-(File Mod)
IPL from Toro Master Parts Viewer
6 pages 422.74KB
Fits D-250 10-Speed
Tiller 1976 40in model 67-40TL01
Tiller 1977 40in model 67-40TL01
Tiller 1978 40in model 67-40TL01
Tiller 1979 40in model 67-40TL01
121 downloads
Updated
