112 files
-
Tiller 36in 1994-1997 79271 260-Series OM SN.pdf
By gwest_ca-(File Mod)
Operator manual #3316-869
20 pages 1.49MB
Printed 1/94
79271 Fits 1994-1997 264-6, 264-H, 266-H Yard tractors
99271 Fits?
9861915 Fits? Possibly for New Holland
Tiller 1994 36in model 79271 Serial 4900001-4999999
1994 serial numbers that have shown up for the 79271
4900110
4900256
4900308
Tiller 1995 36in model 79271 Serial 5900001-5999999
1995 serial numbers that have shown up for the 79271
5900391
5900578
Tiller 1996 36in model 79271 Serial 6900001-6999999
Tiller 1997 36in model 79271 Serial 7900001-7999999
1997 serial numbers that have shown up for the 79271
7900448
152 downloads
Updated
-
Tiller 15in Walking 1988-1989 04-16TK01 D TIPL sn.pdf
By gwest_ca-(File Mod)
Details
Illustrated parts list from Toro Master Parts Viewer
14 pages 481KB
1988 15" walking tiller model 04-16TK01
1989 15" walking tiller model 04-16TK01
51 downloads
Updated
-
Tiller 15in Walking 1988 04-16TB02 D TIPL sn.pdf
By gwest_ca-(File Mod)
Details
Illustrated parts list from Toro Master Parts Viewer
6 pages 217KB
1988 15" walking tiller model 04-16TB02
70 downloads
Updated
-
Tiller 15in Walking 1987 04-16TB01 D TIPL sn.pdf
By gwest_ca-(File Mod)
Details
Illustrated parts list from Toro Master Parts Viewer
5 pages 214KB
1987 15" walking tiller model 04-16TB01
58 downloads
Updated
-
Tiller 36in 1970-1973 7-1232 OM IPL SN.pdf
By admin-(Admin)
Operator manual #A-5225
IPL
6 pages 1.5MB
Dated 11/10/69
Fits GT-14 with 3ph
Requires 8-5412 and 8-4121
Drive belt 9151 (5L x 90 or 5/8" x 90")
Tiller 1970 36in model 7-1232
1970 serial numbers that have shown up for the 7-1232
139958 - A guess - First digit if there is one not readable x39958
154952
Tiller 1971 36in model 7-1232
Tiller 1972 36in model 7-1232
Tiller 1973 36in model 7-1232
617 downloads
Updated
-
Tiller 26in Reo 1967 V-312-L IPL.pdf
By admin-(Admin)
IPL #A-7141
2 pages 96.87KB
Details not available from TMPV
Vertical shaft 4-cycle engine
14" tine diameter
Tiller 1967 26in Walking model V312-L
70 downloads
Updated
-
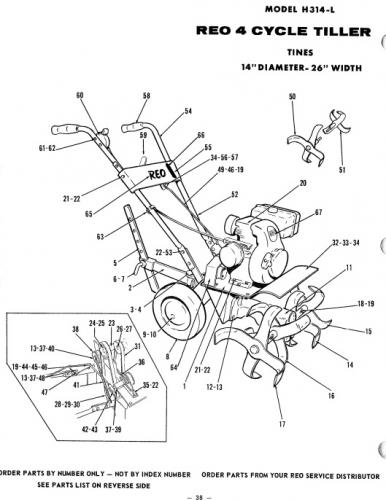
Tiller 26in Reo 1967 H-314L IPL.pdf
By admin-(Admin)
IPL #A-7141
2 pages 103.51KB
Details not available from TMPV
Horizontal shaft engine
14" tine diameter
Tiller 1967 26in Walking model H314-L
216 downloads
Updated
-
Tiller 24in 1961 WT-241 OM IPL sn.pdf
By admin-(Admin)
Operator manual #A-7139
IPL
2 pages 445.72KB
Self powered by vertical shaft engine Wheel Horse part number 1797 - 5.5hp - Lauson V55D-2339P
Drive belt 1579 replaced by 1554 (4L/A x 24 or 1/2" x 24")
Tiller 1961 24in model WT-241
161 downloads
Updated
-
Harrow Spike tooth drag 59in 1976-1980 67-59HR01 TIPL sn.pdf
By gwest_ca-(File Mod)
IPL from Toro Master Parts Viewer
1 page 107KB
Fits
D-Series Automatic tractors
D-250 10-Speed tractors
1976 Spike tooth drag harrow 59" model 67-59HR01
1977 Spike tooth drag harrow 59" model 67-59HR01
1978 Spike tooth drag harrow 59" model 67-59HR01
1979 Spike tooth drag harrow 59" model 67-59HR01
1980 Spike tooth drag harrow 59" model 67-59HR01
69 downloads
Updated
-
Cultivator Rear and Mid 1977 77-34CM01 TIPL sn.pdf
By gwest_ca-(File Mod)
IPL from Toro Master Parts Viewer
1 page 73KB
1977 Cultivator Rear and Mid model 77-34CM01
89 downloads
Updated
-
Harrow Spike tooth drag 45in 1977 77-45HR01 TIPL sn.pdf
By gwest_ca-(File Mod)
IPL from Toro Master Parts Viewer
1 page 146KB
1977 45" Spike tooth harrow model 77-45HR01
89 downloads
Updated
-
Harrow Spike tooth drag 44in 1975-1976 7-1612 OM IPL sn.pdf
By admin-(Admin)
Operator manual #803877
IPL
Formerly 7-1611
Harrow Spike tooth drag 1975 44in model 7-1612
Harrow Spike tooth drag 1976 44in model 7-1612
105 downloads
Updated
-
Cultivator Rear and Mid 1975 7-1723 34in OM IPL sn.pdf
By admin-(Admin)
Operator manual #803965
IPL
Fits B-Series and C-Series tractors
Formerly 7-1722
Cultivator Rear and Mid 1975 34in model 7-1723
1975 serial numbers that have shown up for the 7-1723
139893
197 downloads
Updated
-
Cultivator Rear and Mid 1960-1962 AC-67 OM IPL DNA sn.pdf
By admin-(Admin)
Operator manual
IPL
Cultivator Rear and Mid 1960 AC-67
Cultivator Rear and Mid 1961 AC-67
Cultivator Rear and Mid 1962 AC-67
Cultivator DNA
1960-1962 model AC-67
1963-1964 model AC-673
1965-1967 model AC-675
1968 model 7-1721
1969-1974 model 7-1722
1975 model 7-1723
1976 model 67-34CM01
1977 model 77-34CM01
1978 model 87-34CM01
1979 model 97-34CM01
1980-1982 model 07-34CM01
179 downloads
Updated
-
Harrow Disc 42in 1977 77-42DS01 TIPL SN.pdf
By gwest_ca-(File Mod)
TIPL
1 pages 134.6KB
Harrow Disc 1977 42in model 77-42DS01
1977 serial numbers that have shown up for the 77-42DS01
005468 - Could be a 1976 67-42DS01 or 1978 87-42DS01
76 downloads
Updated
-
Plow Turning 8in 1964 PP-8-A & RC-10 coulter OM IPL sn.pdf
By admin-(Admin)
Operator manual #A-7139
IPL
2 pages 398.39KB
Plow Turning 1964 8in model PP-8-A
155 downloads
Updated
-
Plow Turning 8in 1955-1963 PP-8 & RC-10 coulter OM IPL sn.pdf
By admin-(Admin)
Operator manual
IPL
2 pages 165.69KB
From price list dated October 1, 1954 most likely for the 1955 model year
Plow Turning 1955 7in model PP-7 less coulter for walking tractors
Plow Turning 1955 8in model PP-8 less coulter for walking and riding tractors
Plow Turning 1956 8in model PP-8 less coulter for walking and riding tractors
Plow Turning 1957 8in model PP-8 less coulter for walking and riding tractors
Plow Turning 1958 8in model PP-8 less coulter for walking and riding tractors
Plow Turning 1959 8in model PP-8 less coulter for walking and riding tractors
Plow Turning 1960 8in model PP-8
Plow Turning 1961 8in model PP-8
Plow Turning 1962 8in model PP-8
Plow Turning 1963 8in model PP-8
Plow Turning Coulter 1955 10in model RC-10
Plow Turning Coulter 1956 10in model RC-10
Plow Turning Coulter 1957 10in model RC-10
Plow Turning Coulter 1958 10in model RC-10
Plow Turning Coulter 1959 10in model RC-10
253 downloads
Updated
-
Harrow Spike tooth drag 44in 1955-1960 PH-18 OM IPL sn.pdf
By admin-(Admin)
Operator manual #A-7139
IPL
Supplied by Empire Plow Co.
Harrow Spike tooth drag 1955 44in model PH-18 for walking and riding tractors - 18 spikes in 1955 price list
Harrow Spike tooth drag 1956 44in model PH-18 for walking and riding tractors - 18 spikes in 1956 price list
Harrow Spike tooth drag 1957 44in model PH-18 for walking and riding tractors
Harrow Spike tooth drag 1958 44in model PH-18 for walking and riding tractors - 17 spikes in 1958 price list
Harrow Spike tooth drag 1959 44in model PH-18 for walking and riding tractors - 17 spikes in 1959 price list
Harrow Spike tooth drag 1960 44in model PH-18 for walking and riding tractors
221 downloads
Updated
-
Harrow Disc 32in 1955-1960 DP-118 OM IPL sn.pdf
By gwest_ca-(File Mod)
Model years are a guess
Shows up in price list dated October 1, 1954 for the 1955 model year
Not a very good copy
1 page 300KB
1955 Disc harrow 32in model DP-118 with eight 11" discs for walking and riding tractors
1956 Disc harrow 32in model DP-118 with eight 11" discs for walking and riding tractors
1957 Disc harrow 32in model DP-118 with eight 11" discs for walking and riding tractors
1958 Disc harrow 32in model DP-118 with eight 11" discs for walking and riding tractors
1959 Disc harrow 32in model DP-118 with eight 11" discs for walking and riding tractors
1960 Disc harrow 32in model DP-118 with eight 11" discs for walking and riding tractors
The October 1954 price list also lists
1955 Disc harrow 24in model DP-116 with six 11" discs for walking tractors
Not in the 1955 price list
99 downloads
Updated
-
Cultivator Rear 1955-60 AC-6 OM IPL sn.pdf
By admin-(Admin)
Operator manuals
IPL
3 pages 225.63KB
Six 2"x8" shovels and 8" wheels
Cultivator Rear Adjustable frame 1955 model AC-6 for walking and riding tractors
Cultivator Rear Adjustable frame 1956 model AC-6 for walking and riding tractors
Cultivator Rear Adjustable frame 1957 model AC-6 for walking and riding tractors
Cultivator Rear Adjustable frame 1958 model AC-6 for walking and riding tractors
Cultivator Rear Adjustable frame 1959 model AC-6 for walking and riding tractors
Cultivator Rear Adjustable frame 1960 model AC-6 for walking and riding tractors
From price list dated October 1, 1954 for the 1955 model year
Cultivator Rear Standard frame 1955 model VC-6 for walking tractors
Six 2"x8" shovels and 8" wheels
Cultivator Rear Spike tooth 1955 model SC-12 for walking and riding tractors
Cultivator Rear Spike tooth 1956 model SC-12 for walking and riding tractors
Twelve 10" spike wheels
Also available
Furrowing shovel model F-10
Furrowing shovel with standard model FS-10
Left and right hiller blades model HB-6
Thistle sweeps model TH-6 (TS-6 in 1956)
Left and right turn shovels model TU-6
182 downloads
Updated
-
Cultivator Rear 1961-1967 AC-7 34in OM IPL sn.pdf
By admin-(Admin)
Operator manual #105
IPL
Cultivator Rear 34in 1961 model AC-7
Cultivator Rear 34in 1962 model AC-7
Cultivator Rear 34in 1963 model AC-7
Cultivator Rear 34in 1964 model AC-7
Cultivator Rear 34in 1965 model AC-7
Cultivator Rear 34in 1966 model AC-7
Cultivator Rear 34in 1967 model AC-7
160 downloads
Updated
-
Cultivator Rear and Mid 1968 7-1721 34in OM IPL sn.pdf
By admin-(Admin)
Operator manual #378
IPL
For use with 8-5211 speed hitch only
Cultivator Rear and Mid 1968 34in model 7-1721
98 downloads
Updated
-
Harrow Spike tooth drag 44in 1961-1962 PH-181 OM IPL sn.pdf
By admin-(Admin)
Operator manual #A-5251
IPL
Harrow Spike tooth drag 1961 44in model PH-181
Harrow Spike tooth drag 1962 44in model PH-181
83 downloads
Updated
-
Harrow Disc 32in 1969-1974 7-1512 OM IPL sn.pdf
By admin-(Admin)
Operator manual #A-5149
IPL
Harrow Disc 1969 32in model 7-1512
Harrow Disc 1970 32in model 7-1512
Harrow Disc 1971 32in model 7-1512
Harrow Disc 1972 32in model 7-1512
Harrow Disc 1973 32in model 7-1512
Harrow Disc 1974 32in model 7-1512
110 downloads
Updated
-
Harrow Spike tooth drag 44in 1968-1974 7-1611 OM IPL SN.pdf
By gwest_ca-(File Mod)
Operator manual #803877
IPL
Harrow Spike tooth drag 1968 44in model 7-1611
Harrow Spike tooth drag 1969 44in model 7-1611
Harrow Spike tooth drag 1970 44in model 7-1611
Harrow Spike tooth drag 1971 44in model 7-1611
Harrow Spike tooth drag 1972 44in model 7-1611
Harrow Spike tooth drag 1973 44in model 7-1611
Harrow Spike tooth drag 1974 44in model 7-1611
1974 serial numbers that have shown up for the 7-1611
1037673 - Model 7-1611-9
88 downloads
Updated
