About This File
IPL from Toro Master Parts Viewer
4 pages 327.75KB
Front drive belt 108971 (HA x 49.5" or 1/2" x 49.5")
Rear drive belt 108960 (HA x 88.5 or 1/2" x 88.5")
Fits
1982 B-85 5-Speed model 02-08BX01
1982 B-115 5-Speed model 02-11BP05
1982 B-115 Automatic model 02-11BE01
1982 B-165 Twin 5-Speed model 02-16BP04
1982 B-165 Twin Automatic model 02-16BE01
1982 LT-1137 5-Speed model A2-113701
1982 LT-1637 Twin 5-Speed model A2-163701
1982 LT-1642 Twin 5-Speed model A2-164201
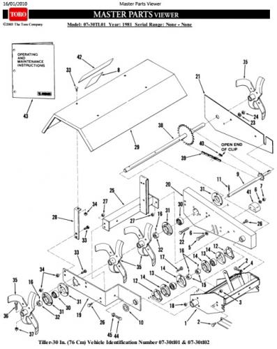
Tiller 1982 30in model 07-30TL02
1982 serial numbers that have shown up for the 07-30TL02
22110
22255
22370
22403
22563 - Build date 1982 2064 March 05 Friday
22652 - Build date 1982 2064 March 05 Friday
22656 - Build date 1982 2064 March 05 Friday
22706 - Build date 1982 2068 March 09 Tuesday
22709 - Build date 1982 2068 March 09 Tuesday [206x]
Tiller 1983 30in model 07-30TL02
Tiller 1984 30in model 07-30TL02
Tiller 1985 30in model 07-30TL02
Tiller 1986 30in model 07-30TL02
