Jump to content
Southern_Secret

7 years & I finally got one!!

Recommended Posts

Gregor
8 minutes ago, Southern_Secret said:

@Gregor so why do you think my meter stoped working, i thought it was because of the oil switch because i saw a right up about a guy having the same situation and he was told it was because his oil switch was bad? 

I haven't a clue. As I said, I have never seen a tractor with one. As others have said though, it would not be hard to by-pass. Simply wire the meter to any 12 volt, (key on) source. TractorData doesn't even list a 314-H. I will assume it is a Kohler 321, like you say. The + side of the coil would work.

I don't own any :wh: near that new.

Edited by Gregor
  • Like 1
  • Thanks 1

Share this post


Link to post
Share on other sites
 
ebinmaine
1 hour ago, Southern_Secret said:

@Gregor i know mine does, at the back side down at the bottom

 

1 hour ago, Gregor said:

I have (1) K341, (3) K321, (1) K301, (2) K181, (1) K161, (1) MV16, and have never seen an oil cut out switch. Whooda thunk?

 

1 hour ago, Southern_Secret said:

@Gregor i know mine does, at the back side down at the bottom

K series doesn't have an oil level cut out switch that I've seen. 

 

@Southern_Secret

Your engine is likely an M series or Magnum.

 

Kind of like same thing but different.

 

  • Like 1
  • Excellent 1

Share this post


Link to post
Share on other sites
 
ebinmaine

@Southern_Secret

Do you have the schematic diagram for that?

 

  • Like 1

Share this post


Link to post
Share on other sites
 
Gregor
3 minutes ago, ebinmaine said:

 

 

K series doesn't have an oil level cut out switch that I've seen. 

 

@Southern_Secret

Your engine is likely an M series or Magnum.

 

Kind of like same thing but different.

 

Now I am curious. Just WHAT MODEL IS this tractor, anyway? Did I miss it somewhere?

  • Like 1

Share this post


Link to post
Share on other sites
 
ebinmaine
Just now, Gregor said:

Now I am curious. Just WHAT MODEL IS this tractor, anyway? Did I miss it somewhere?

First post I think? It's a 314H.

  • Like 1

Share this post


Link to post
Share on other sites
 
Gregor

OK weird. Tractor data does not list a 314-H. Only 314-8, and 314-A. With a K-3211110369967_Screenshot2021-11-29at13-09-08TractorDatacomWheelHorse314tractorengineinformation.png.7d48e95b38adf2712c1f97ebfa4877cb.png

But if you Google Wheel Horse 314-H, it will show up in TractorData. With an M14

1848582660_Screenshot2021-11-29at12-58-07TractorDatacomToroWheelHorse314-Htractorengineinformation.png.1e9502801435e627893dddd4cba73990.png

And in the manuals section, it is an M14, not a K.

 

200876024_Screenshot2021-11-29at13-00-59httpslookup3torocompartdexmodlatchcfmxCallerTorox54-Tractor1993314-H73401....png.313ae83006340eaed9d4a42c850fd770.png

 

741565135_Screenshot2021-11-29at13-07-05Tractor1993314-HDAOMWiringRevisedSNpdf.png.26f2aa4302b760fce754d8746c7af4b3.pngAnd it has an oil switch

 

 

 

  • Like 1

Share this post


Link to post
Share on other sites
 
pfrederi
5 minutes ago, Gregor said:

OK weird. Tractor data does not list a 314-H. Only 314-8, and 314-A. With a K-3211110369967_Screenshot2021-11-29at13-09-08TractorDatacomWheelHorse314tractorengineinformation.png.7d48e95b38adf2712c1f97ebfa4877cb.png

But if you Google Wheel Horse 314-H, it will show up in TractorData. With an M14

 

And in the manuals section, it is an M14, not a K.

 

200876024_Screenshot2021-11-29at13-00-59httpslookup3torocompartdexmodlatchcfmxCallerTorox54-Tractor1993314-H73401....png.313ae83006340eaed9d4a42c850fd770.png

 

741565135_Screenshot2021-11-29at13-07-05Tractor1993314-HDAOMWiringRevisedSNpdf.png.26f2aa4302b760fce754d8746c7af4b3.pngAnd it has an oil switch

 

 

 

From his original post pics it is a magnum they had low oil switches...

Edited by pfrederi
  • Like 1

Share this post


Link to post
Share on other sites
 
Gregor
1 hour ago, Gregor said:

I haven't a clue. As I said, I have never seen a tractor with one. As others have said though, it would not be hard to by-pass. Simply wire the meter to any 12 volt, (key on) source. TractorData doesn't even list a 314-H. I will assume it is a Kohler 321, like you say. The + side of the coil would work.

I don't own any :wh: near that new.

Now that we have established it is an M14,(if we have) and not a K321, DON'T WIRE ANYTHING to the coil. You do not have battery ignition ! Chances are, you won't even see the coil.

  • Like 1
  • Thanks 1

Share this post


Link to post
Share on other sites
 
WHX??

Sounds like the boys have got you covered Secret so I'll just :WRS:

  • Heart 1

Share this post


Link to post
Share on other sites
 
Southern_Secret
1 hour ago, ebinmaine said:

Your engine is likely an M series or Magnum.

@ebinmaine yes sir I'm sorry, it is a m14s 

  • Like 1

Share this post


Link to post
Share on other sites
 
Gregor

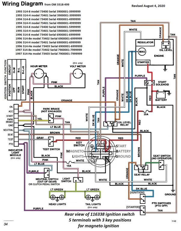
Looking at the wiring diagram in the above manual, I can't see where the oil sentry switch has anything to do with the hour meter. The hour meter is wired in parallel with the volt meter. If your volt meter is working, your hour meter should be working. There is a 15 amp fuse in line for both of them. If it's blown, neither will work. I would post a pick of the wiring diagram but since I got this:ranting: wonderful new computer, it won't post anything anyone can open anyway. Maybe someone else can open the file and post the pic. Oh, maybe I did find a way. Follow the pink wire from the volt, and the hour meter back to the switch. You will see a 15 amp fuse, where the wire turns white in color. Is your volt meter working?

image.png.0efb0c55257efaf16ecd10b7357cef1f.png

  • Thanks 1

Share this post


Link to post
Share on other sites
 
squonk

Hour meters fail all the time. Seen dozens of them. Also those oil switches fail and damage the engine. I think @richmondred01 had pics.

  • Like 1

Share this post


Link to post
Share on other sites
 
Southern_Secret

@Gregor my volt meter does work good, let me look at this diagram and see if i can find the fuse you are talking about.

Share this post


Link to post
Share on other sites
 
Southern_Secret

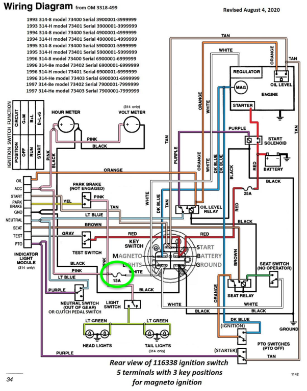
@Gregor i see where right be for the pink wire goes to the switch the fuse you are talking about, is that a fuesable link?

Share this post


Link to post
Share on other sites
 
Handy Don

Green oval marks the accessory 15amp fuse

 

image.png.6840397780bc9ddc3c35fc9ba45afec2.png

Edited by Handy Don
  • Thanks 1

Share this post


Link to post
Share on other sites
 
Southern_Secret

@Gregor I see that the white wire that goes to the key also goes to the seat switch, could my seat switch being un hooked be some of the issue?

Share this post


Link to post
Share on other sites
 
Southern_Secret
2 hours ago, squonk said:

Also those oil switches fail and damage the engine.

@squonk well i keep a check on my oil, if i tie the wires that go to the oil switch together (the ones that go from the tractor to the oil switch it's self) that it won't let it turn over. ?

  • Excellent 1

Share this post


Link to post
Share on other sites
 
Gregor
7 minutes ago, Southern_Secret said:

@Gregor i see where right be for the pink wire goes to the switch the fuse you are talking about, is that a fuesable link?

I can't say for sure, but it looks like an in-line fuse to me.

4 minutes ago, Southern_Secret said:

@Gregor I see that the white wire that goes to the key also goes to the seat switch, could my seat switch being un hooked be some of the issue?

Again, I don't think so, it is after the switch. Should not come into play.  Someone else probably knows more about it. I don't have one of these new fangled machines.

  • Thanks 1

Share this post


Link to post
Share on other sites
 
squonk
6 minutes ago, Southern_Secret said:

@squonk well i keep a check on my oil, if i tie the wires that go to the oil switch together (the ones that go from the tractor to the oil switch it's self) that it won't let it turn over. ?

The failure of the switch I'm talking about is the plastic breaking inside the engine and the pieces getting into everything.

  • Like 2

Share this post


Link to post
Share on other sites
 
Southern_Secret
5 minutes ago, Gregor said:

new fangled machines

@gregor hahahahaha, Well you might not think you know alot about it but you have help me a huge amount. I would have never figured out about that fuse EVER!! The thread i was reading about the oil switch being tied to the hour meter was talking about a 520-H now that i think about it, and those are a whole nother beast.

Share this post


Link to post
Share on other sites
 
Southern_Secret
4 minutes ago, squonk said:

The failure of the switch I'm talking about is the plastic breaking inside the engine and the pieces getting into everything.

@squonk If i cant find a replacement switch im going to pull the old one out and plug the hole..... maybe??

  • Like 3

Share this post


Link to post
Share on other sites
 
Gregor

When the key is in the RUN or START position, it makes contact with the Battery, and Lights (accessories). Not being in the seat may keep the tractor from starting, or even turning over, but it won't bother the lights or low oil warning light.1739335287_Screenshot2021-11-29at16-20-497yearsIfinallygotone.png.42694bde9e99a96d936cab12b72f3874.png

  • Like 2

Share this post


Link to post
Share on other sites
 
squonk

Yes. You would have to rig the wires so the engine will start

Edited by squonk

Share this post


Link to post
Share on other sites
 
Handy Don
23 minutes ago, Southern_Secret said:

@Gregor I see that the white wire that goes to the key also goes to the seat switch, could my seat switch being un hooked be some of the issue?

 

Have you read the owners manual for this tractor? That will make clear what interacts with what. For instance, it tells you that if you get off the seat while the engine is running and the PTO is engaged, the engine shuts off. But there are other interactions you should understand as well.

Until you correlate the "factory" wiring diagram to the current state of your wiring to find out what has been changed, removed, or added you are playing whack-a-mole. 

 

Share this post


Link to post
Share on other sites
 
biged77

The problem between the hour meter and oil switch was for tractors with low oil pressure switches not low oil level switches.

If you're still having a problem with the hour meter unscrew the top instrument panel, pull it forward and look at the wires going to the voltmeter and hour meter.  The wires are parallel, if one works the other should work.

I think your best bet is to remove and plug the low oil level switch.  Or you could disconnect it or cut the wires.  This should not keep the tractor from starting.

I can send you the one I removed if you still want the low oil level function.  Here's a photo.

1870641201_IMG_1313(002).jpg.305c3041fdcbaa3192f8a24ab556b183.jpg

 

  • Like 1

Share this post


Link to post
Share on other sites
 

Create an account or sign in to comment

You need to be a member in order to leave a comment

Create an account

Sign up for a new account in our community. It's easy!

Register a new account

Sign in

Already have an account? Sign in here.

Sign In Now

  • Similar Content

    • DennisinTN
      By DennisinTN
      I was given a 314H in trade for some work. Love the tractor but I cannot tell what Sleeve hitch adapter will fit the hydro. Will one for a 314-8 fit. What do I need to attach to the deck lift? I've read hundreds of posts on here and figured this is where to find the experts. Thanks in advance. 
    • bigcreek
      By bigcreek
      Good day WH fans, 
       
       
      My dilemma is this, my first Wheel Horse a nice 314-h with 80 hours. Bought from the second owner with the story of the original owner. This spring I was about to service her and well I looked on the clock, it now sits at 97 hours. This WH comes from up in Maine. I have it now in southern Maryland. I hate to beat up a nice old tractor like it is sitting at under 100 hours she is just too nice to use. Or is she just another WH? 
       
      Here is the question, do I park it as surviving "under 100" hour tractor? or sell it? I would only consider selling to a collector. FYI I have both a second WH, a well-used 417-8 and would consider a trade for another WH.
       
      R/
       
      Scott  
    • Aldon
      By Aldon
      Well, most of the regulars here are aware I will be relocating this Spring/Summer. I had hoped to take the remaining collection of tractors with me. However more and more it is becoming obvious that this plan wont work out for numerous reasons. As such, once I make up my mind as to which one to keep, I will be posting the remainder as well as most parts etc up for sale in the Forum Classifieds and CL.
       
      As I hope shows in poll info, I have 2 Stage Blower, Restored 48 & 60 inch(195) decks, 54 inch blade, GT14 style Tiller and a project Sickle Bar. The Sickle BAr can likely be made to work on the GT14 style tractors and the C160.
       
      I enjoy working on them but as I get older I may not have time or ability to do so. As such, maintenance and parts and ease of use of a single tractor are part of the equation.
       
      A couple of these I have poured a lot of time into but I am not emotionally tied to them and I believe if I relocate back east where Grass and tractor need becomes more necessary, I can re-create them.
       
      So help me out with my decision. 
       
      A couple pics of the beasts in question:






    • racin_ny
      By racin_ny
      I have a leak on the elbow that screws into the front of the lift valve. Does anyone know how that is sealed? I looked at parts tree at it doesn't show an o-ring or seal?  The elbow is Toro part number 108365. Part #1 on the diagram. Thanks for the help. 
      https://www.partstree.com/parts/toro/mowers-lawn-garden-tractor/73403-314-h-toro-314-h-garden-tractor-sn-6900001-6999999-1996/hydraulic-lift-system_2/
    • Hydro
      By Hydro
      I just discovered the belt tensioner is out of alignment with the PTO pulley and the hydro pulley so much so that the belt is riding up on the right side edge of the idler cutting the back side of the drive belt. The console cover plate has actually worn the width of the tensioner lever on the right side of the cover. It's as if the shaft was made too narrow. Has anyone encountered anything like this before? The idler needs to be shimmed over but the shaft is not long enough.

      While I am on this topic why is it these tensioners are not used with the Onan applications just the Kohler? I'm thinking maybe the added resistance to turn over the bigger piston in the cold temps I don't know
      Thanks
×
×
  • Create New...