857lover 291 #1 Posted November 11, 2022 do i purchased a d160 and it’s missing the peice that connects the engine to the hydro pump and i can’t seem to find any online where can i find one of theese 1 Share this post Link to post Share on other sites
pacer 3,179 #2 Posted November 11, 2022 + Is yours completely missing? Its round, bout 4" in dense rubber with 4 holes - 2 to pump and 2 to eng. If thats it - and I;m pretty sure thats the part you need, the you just might be waiting awhile, they are really getting scarce. I needed one couple yrs ago and was 2-3 months before one showed up! As luck would have it, a couple more months passed and another popped up on the bay (way overpriced too!) I pm'd the seller and asked for a break in the price and he came down to $125 --- and I jumped on it! just to have a spare. Hopefully one of the guys here on the forum will either have one or knows of one. 3 Share this post Link to post Share on other sites
953 nut 65,325 #3 Posted November 12, 2022 Give Lincoln a phone call, he is likely to have one. https://www.a-ztractor.com/ 2 1 Share this post Link to post Share on other sites
Pullstart 69,772 #4 Posted November 12, 2022 Is it just a tube? Share this post Link to post Share on other sites
857lover 291 #5 Posted November 12, 2022 1 hour ago, 953 nut said: Give Lincoln a phone call, he is likely to have one. https://www.a-ztractor.com/ hahahaha i am always there that’s actually where i went first he dosent have one 2 Share this post Link to post Share on other sites
857lover 291 #6 Posted November 12, 2022 2 minutes ago, Pullstart said: Is it just a tube? i’m not sure what it even looks like i just know i don’t have it 1 Share this post Link to post Share on other sites
Pullstart 69,772 #7 Posted November 12, 2022 @pacer, any pictures or dimensions? 1 Share this post Link to post Share on other sites
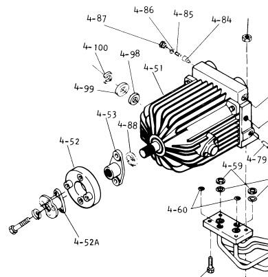
gwest_ca-(File Mod) 12,166 #8 Posted November 12, 2022 Does 4-52A mount on a shaft bolted to the flywheel? Share this post Link to post Share on other sites
squonk 46,145 #9 Posted November 12, 2022 Parts are on E bay 2 Share this post Link to post Share on other sites
Pullstart 69,772 #10 Posted November 12, 2022 @857lover could you show us what you do have? Share this post Link to post Share on other sites
pacer 3,179 #11 Posted November 12, 2022 @gwest_ca and @squonk have shown what I was describing. That Dense rubber will start a crack and quickly spread til it self destructs. Then you have the splined piece that will peel the splines out -- and THAT will also - usually! - take the splines on the Hydro, which of course is NO fun. If theres one on the bay -- get it!!! squonk what name is it listed under, I dont know what its called. 1 Share this post Link to post Share on other sites
857lover 291 #12 Posted November 12, 2022 22 minutes ago, Pullstart said: @857lover could you show us what you do have? Share this post Link to post Share on other sites
857lover 291 #13 Posted November 12, 2022 1 hour ago, squonk said: Parts are on E bay what did you punch in to find those Share this post Link to post Share on other sites
pacer 3,179 #14 Posted November 12, 2022 In your picture is shown the splined shaft coming out of the hydro --- and it 'appears' to have that dreaded damage that I mentioned. The hole drilled in it is not standard, that is a jury rigged method to get more life out of it by putting a bolt through. It rarely lasts long.... Check this out closely, you really dont want to put another connector on that and quickly strip it also. When you slide the metal part @squonk shows onto the shaft it should not have ANY slop there. 2 1 Share this post Link to post Share on other sites
JoeM 9,768 #15 Posted November 12, 2022 by the looks of your spline pump shaft you have more problems than just a coupler. That pump shaft has been jury rigged in the past and is shot. Might want to go another way, things are going to get real expensive. Should look like this. This the way my D160 coupler looked. 1 Share this post Link to post Share on other sites
pacer 3,179 #16 Posted November 12, 2022 On the bay put in "wheel horse d160 180 transmission coupler" Really good price on the coupler but the splined piece is a bit pricey, but ..... you'll have to have it!! 2 Share this post Link to post Share on other sites
857lover 291 #17 Posted November 12, 2022 why would i need to get a new pump if the spines are still in tact ? Share this post Link to post Share on other sites
squonk 46,145 #18 Posted November 12, 2022 They aren't intact. They are worn with a big honkin hole drilled into it. 2 1 Share this post Link to post Share on other sites
pacer 3,179 #19 Posted November 12, 2022 Well you wouldnt have to have the pump, but it would likely be harder to find that splined shaft than it would to find a complete pump. 2 1 Share this post Link to post Share on other sites