About This File
Operators manual #314-315
IPL
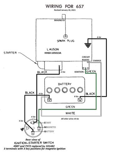
Wiring
12 pages
Dated 6-12-66
Wiring Revised pdf
1 page 247KB
Tractor drive belt for 607 and 657 #9691 - 1/2" x 70"
Lube chart SS
Details & Attachments
3 pages 113.74KB
1967 model 607
1967 serial numbers that have shown up for the 607
290183
290358
290502
296055
296203
296338
Details & Attachments
3 pages 114.43KB
1967 model 657
1967 serial numbers that have shown up for the 657
268672
286009
317337
317401
317564
332012
What's New in Version 1.0.1
Released
657
