About This File
Parts list only
with PSB #338B corrections
6 pages 1.35MB
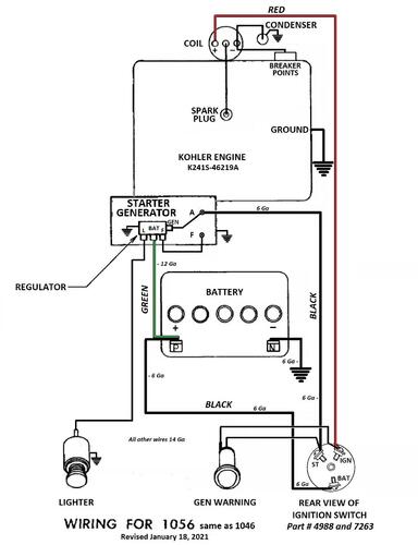
Wiring for 1056 should be the same Revised pdf
1 page 304KB
Long frame tractor
Transmission drive belt 1586 replaced by 9714 (HA x 76" or 1/2" x 76")
Starter/generator belt
Kohler 10hp, 12hp - 235262 (7345 Gates .410" x 35.09" 36 degree) (25-7345 Napa .410" x 35.09" 36 degree)
Wheel Horse 1593 (3L x 34.4") - nla (Gates replacement 6735 3/8" x 35" 38 degree)
Uses Kohler K241S-462198 (This should be K241S-46219a) with 1" crankshaft, starter/generator and battery ignition
Same as 1056 except for engine and pto.
3 pint oil capacity
(PT-6 is wrong Should be PT-7) pto as standard equipment, Uses 6936 engine pulley for 1" crankshaft
PT-6 fits 1-1/8" crankshaft
Ignition switch 4988 3-terminal 3-position replaced by 7263
Lube chart SS - Not in chart but same as 1055 model
Details & Attachments
4 pages 118.10KB
1966 model 1046
1966 serial numbers that have shown up for the 1046
261312
261326
261340
261349
261356
261373
261380
261387
261393
261398
261402
261403
261428
261490
261522
261523
261524
261567
261568
