About This File
Operator manual #1-6041-P
IPL
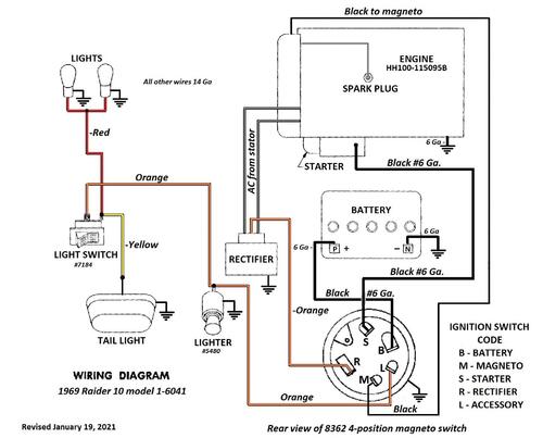
Wiring
12 pages 1.38MB
Wiring Color pdf
1 page 341KB
Terminals on 8362 magneto ignition switch may not be identified
1 page 126KB
(1-6041 incorrectly listed as 1970 model @ Toro and on Details page)
Transmission drive belt 78-7100 replaced by 7473 - HB x 81.9" or 5/8" x 81.9"
Lube chart SS
Details & Attachments
3 pages 114.47KB
1969 Raider 10 model 1-6041 (Engine oil capacity 1-1/4 quarts)
Serial numbers that have shown up
509763
509872
509882
509985
545535
545907
571122
571273 - Located in Holland
571354
571522
577591
577675
577809
577811
577961
577983
59999x
599994
600022
608192 - Build date 1969 9002 January 02 Thursday
621598
621721
