About This File
Operator manual #687
Illustrated parts list
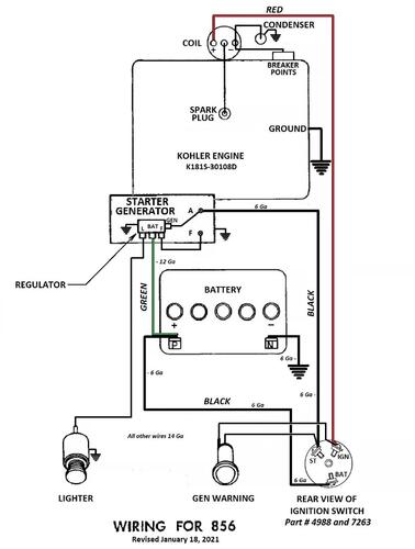
Wiring
14 pages 2.92MB
Better copy
11 pages 5.7MB
Wiring Color pdf
1 page 301KB
Short frame 41-1/4" wheelbase
Tractor drive belt for 856 #1576 replaced by 9691 - 1/2" x 70"
Starter/Generator belt
Original Wheel Horse 1583 nla Used on 6, 7, 8hp Kohler Starter generator {3Lx33" in belt charts is 3/8" x 33" but some applications use a shorter belt. Belt should have raw rubber sides for grip.}
3V315 Gates .38"x31.5"
3V315 Napa .38"x31.5"
Kohler #231605 Starter generator belt Replaces 232613 [.41"x32.08" 36 degree] PSB #061 Should use raw edge belt
7315 Gates .41"x32.08" 36 degree
25-7315 Napa .41"x32.08" 36 degree
Small Block Kohler Napa # 25-7320 .41" wide x 32.5" long Side angle 36 degrees Cross section HC41
Details & Attachments
3 pages 114.95KB
1966 model 856
1966 serial numbers that have shown up for the 856
173774
174010
174204
193858
193910
194025
194163
194315 - May be a 876
194431
194583
194593
209033
209428
209809
234503
234895
234902
235114
235163
251599
2519x0
251984 - Located in UK Made in USA
251988 - Located in Northern Ireland
253822
867865 - Looks wrong - Possibly should be 267865
