About This File
Operator manual #317-318
IPL
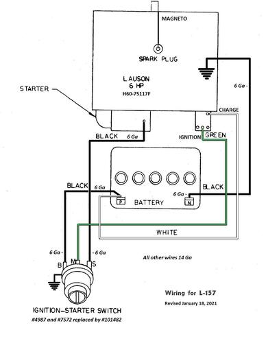
Wiring
12 pages 4.29MB
Wiring Revised pdf
1 page 204KB
Tractor drive belt for L-107 and L-157 #9691 - 1/2" x 70"
Includes 32" RM-117 mower deck IPL
Mower Rotary 1967 32in RD model RM-117 standard equipment
Mower belt 1555 replaced by 113912 (1/2" x 44")
8777 2-blade set replaces 3719, 7760 and 7909 left blades and 3718, 7761 and 7908 right blades
Lube chart SS
Details & Attachments
2 pages 107.86KB
1967 model L-107 Lawn Ranger - Recoil start
1967 serial numbers that have shown up for the L-107
037907 - Perhaps should be 037907x - Located in England
280582
281598
281820
282003
282896
306036
306290
323439
335614
335665
335716 - May be a L-157
335766
379075
Details & Attachments
2 pages 108.23KB
1967 model L-157 Lawn Ranger - Electric start
1967 serial numbers that have shown up for the L-157
006250
280915
281232
281324
300047
300363
319847
323573
323894
328288
335716 - May be a L-107
339007
339079
339225
339399
363841
363990
364144
