|
|
90 files
-
Engine Kohler K532 K582 OM #TP-1201.pdf
By gwest_ca-(File Mod)
Operator manual
12 pages 2.74MB
K532S Spec 53100-53186 20hp
1974 D-200 Automatic model 1-0630 - Uses K532S-53105A
1975 D-200 Automatic model 1-0631 - Uses K532S-53105A
1976 D-200 Automatic model 61-20KS01 - Uses K532S-53105A
1976 D-200 Automatic model 61-20KS02 - Uses K532S-53105A
1977 D-200 Automatic model 71-20KS01 - Uses K532S-53105A
1978 D-200 Automatic model 81-20KS01 - Uses K532S-53105A
1979 D-200 Automatic model 91-20KS01 - Uses K532S-53105A
1979 D-200 Automatic model 91-20KS02 - Uses K532S-53105A
1980 D-200 Automatic model 01-20KS00 - Uses K532S-53105A
1981 D-200 Automatic model 01-20KS00 - Uses K532S-53105A
169 downloads
Updated
-
Engine Kohler K161S-28522E SS.jpg
By gwest_ca-(File Mod)
Recording this page for K161S-28522E used in the 1961 model 701
246 downloads
Updated
-
Engine Kohler HP & Torque Specifications.jpg
By gwest_ca-(File Mod)
Torque specs for K-Series and Command-Series engines
2 pages
K241
K301
K321
K341
CH11
CH12.5
CH13
CH14
CH15
CH16
105 downloads
Updated
-
Engine Kohler K 90 OM IPL SM.pdf
By wallfish
K90 Owners Manual
IPL
Service manual
12 pages 1.61MB
K90T-27107D from RJ35 Serial 338412
286 downloads
Updated
-
Engine Kohler K241 K301 Service engines
By C-101plowerpower
Installation instructions for the universal service engines
280 downloads
Updated
-
Engine Kohler K582 OM.pdf
By gwest_ca-(File Mod)
Operator manual #TP-2123-B
17 pages 615.75KB
Dated 1/84 Revised 11/95
Operator manual #TP-2123-B2
16 pages 2.98MB
Dated 1/84 Revised 11/95
71 downloads
Updated
-
Engine Kohler Command CH18-23 OM #2459027RevA.pdf
By gwest_ca-(File Mod)
Operator manual
8 pages 1.09MB
CH18-CH23 CH620-CH740 CH750
Kohler CH18S-62579 used in
1998 518xi model 73470 Serial 8900001-8999999
1999 518xi model 73471 Serial 9900001-9999999
2000 518xi model 73471 Serial 000000001-000999999
2000 518xi model 73471 Serial 200000001-200999999
2001 518xi model 73471 Serial 210000001-210999999
Kohler CH20S-64583 used in
1998 520xi model 73540 Serial 8900001-8999999
1998 520xie model 73541 Serial 8900001-8999999
1999 520xi model 73542 Serial 9900001-9999999
1999 520xi model 73570 Serial 9900001-9999999
2000 520xi model 73542 Serial 000000001-000999999
2000 520xi model 73542 Serial 200000001-200999999
2000 520xi model 73570 Serial 200000001-200999999
2001 520xi model 73542 Serial 210000001-210999999
2002 520xi model 73542 Serial 220000001-220999999
2002 520xi model 73570 Serial 220000001-220999999
2003 520xi model 73542 Serial 230000001-230999999
2003 520xi model 73570 Serial 230000001-230999999
2004 520xi model 73542 Serial 240000001-240999999
Kohler CH22S-66545 used in
1998 522xi model 73560 Serial 8900001-8999999
1999 522xi model 73561 Serial 9900001-9999999
2000 522xi model 73561 Serial 000000001-000999999
2000 522xi model 73561 Serial 200000001-200999999
2000 522xi Indy Special model 73561SEI Serial 200000001-200999999
2001 522xi model 73561 Serial 210000001-210999999
2002 522xi model 73561 Serial 220000001-220999999
Kohler CH22S-76551 used in
2003 522xi model 73561 Serial 230000001-230999999
2004 522xi model 73561 Serial 240000001-240999999
2005 550 model 73561 Serial 250000001-250999999
156 downloads
Updated
-
Engine Kohler Stable Hints.pdf
By gwest_ca-(File Mod)
List of engines used 1956-1965
1 page 459KB
A link to corrections
The RJ-58 could come with a K-90 27107D (early), Later 58 units came with a Kohler K-91 31307A. Both these engine would be equipped with a Schnacke recoil unit with a backup rope starter contained under the recoil assembly. Late Model RJ-59 tractors with a Kohler would have a K-91 31388A with the Fairbanks recoil starter.
A gentleman had a RJ-59 with a serial number greater that 21000 which had the 31388A engine and the wider seat with no holes like the Suburban 400.
The 31307A and 31388A were K-91T engines. The only K-90T used was 27107D. The K-90 was used on the RJ-35 and early RJ-58's.
Ed Cole and I researched this issue in depth in 1999-2000. Additionally my Grandfather's RJ-59 had the K-91 31307A. Several others here can vouch for the fact that their RJ-58/59 has the K-91. Only the earliest RJ-58's had the K-90 as did the RJ-35. My RJ-58 serial 3796 has the K-90.
Additionally I have a full color brochure for the RJ-58 that states "Husky, quick-starting 4hp."
Also the RJ-35 did not use the Clinton B1290-1107 as did the RJ-58/59. The RJ-35 would have been equipped with the Clinton 1200-152 (1955-1956) Clinton 1200-184 (1956) and the Clinton 1200-2184 (1956-1957) along with the K-90 27107D. The 1200 & K-90 were 3.6 hp motors. The B1290 and K-91 were 4hp motors.
Tim did some research into the RJ-25 with the 2.5hp Briggs. I can't remember if that was a Model 6 or 8.
118 downloads
Updated
-
Engine Kohler K 91T-31388A OM IPL #EN370.pdf
By wallfish
Operator manual
Illustrated parts list
4 pages 553.69KB
Dated 11/59
Operator manual
Illustrated parts list
4 pages 785KB
Spec 31388A
Spec 31482-A
1958 model RJ-58 - Some used Kohler K91-31307A & K91-31388A
1959 model RJ-59 - Some used Kohler K91-31307A & K91-31388A
1960 model 400 used Kohler K91-31388A
246 downloads
Updated
-
Engine Kohler Magnum M16 Balance gears PSB #208.pdf
By gwest_ca-(File Mod)
Kohler service bulletin #208
16hp balance gears
5 pages 976KB
Dated June 1990
112 downloads
Updated
-
Engine Kohler Magnum M18 & M20 IPL.pdf
By gwest_ca-(File Mod)
Illustrated parts list TP-2233-C
63 pages 4.55MB
M18 (18hp or 13.4KW)
1986 718-Z model Z1-18KE01 - Uses M18S-24529
1987 418-8 model 31-18K801 - Uses M18QS-24510
1987 418-A model 31-18KE01 - Uses M18QS-24510
1987 418-C model 41-18KE01 - Uses M18QS-24536 (Toro lists 12536)
1987 718-Z model Z1-18KE02 - Uses M18S-24529
The following were supplied to Wheel Horse according to Kohler records
M18-24510 - 1987
M18-24529 - Supplied to Magic Circle owner of Dixie Chopper
M18-24536 - 1987
M20 (20hp or 14.8KW)
1986 420-LSE Automatic model 31-20KE01 - Uses M20QS-49519
1987 720-Z model Z1-20KE01 - Uses M20S-49523
The following were supplied to Wheel Horse according to Kohler records
M20-49519 - 1986
M20-49523 - 1987
555 downloads
Updated
-
Engine Kohler Magnum M16 Spec 711500-711587 IPL.pdf
By gwest_ca-(File Mod)
Illustrated parts list TP-2232-D
53 pages 3.33MB
M16 (16hp or 11.9KW)
1987 416-8 model 31-16K803 - Uses M16S-711523
1988 416-8 model 31-16K804 - Uses M16S-711523
The following were supplied to Wheel Horse according to Kohler records
M16-711523 - 1987, 1988
189 downloads
Updated
-
Engine Kohler Magnum M14 Spec 601500-601557 IPL.pdf
By gwest_ca-(File Mod)
Illustrated parts list TP-2231-C
48 pages 2.23MB
M14 (14hp or 10.5KW)
1987 414-8 model 31-14K802 - Uses M14S-601524
1988 414-8 model 31-14K803 - Uses M14S-601540
1989 414-8 model 31-14K804 - Uses M14S-601540
1993-1996 314-8 model 73400 - Uses M14S-601559
1993-1996 314-H model 73401 - Uses M14S-601559
1996-1997 314-8 model 73402 - Uses M14S-601559
1996-1997 314-H model 73403 - Uses M14S-601559
The following were supplied to Wheel Horse according to Kohler records
M14-601524 - 1987
M14-601540 - 1988, 1989,
M14-601559 - 1993, 1994, 1995, 1996, 1997
403 downloads
Updated
-
Engine Kohler Magnum M10 Spec 461500-461541 IPL.pdf
By gwest_ca-(File Mod)
Illustrated parts list TP-2229-C
41 pages 1.53MB
M10 (10hp or 7.5KW)
1987 310-8 model 21-10K804 - Using M10S-461521
1988 310-8 model 21-10K805 - Using M10S-461521
1989 310-8 model 21-10K806 - Using M10S-461521
1990 310-8 model 31-10K801 - Using M10S-461521
1991 310-8 model 31-10K802 - Using M10S-461521
1992 310-8 model 31-10K803 - Using M10S-46154 (Suspect this should be M10S-461545)
1993 310-8 model 73320 - Using M10S-46145 (Suspect this should be M10S-461545)
The following were supplied to Wheel Horse according to Kohler records
M10-461521 - 1987, 1988, 1989, 1990, 1991
M10-461533 - ?
M10-461545 - 1992, 1993, ?
365 downloads
Updated
-
Engine Kohler Magnum M 8 Spec 301500-301627 IPL.pdf
By gwest_ca-(File Mod)
Illustrated parts list TP-2201-C
44 pages 2.71MB
M8 (8hp or 6KW)
1986 308-8 model 21-08K801 - Using M8S-301511
1986 308-8 model 21-08K802 - Using M8S-301511
1987 308-8 model 21-08K803 - Using M8S-301511
1988 308-8 model 21-08K804 - Using M8S-301511
The following were supplied to Wheel Horse according to Kohler records
M8-301511 - 1986, 1987, 1988
334 downloads
Updated
-
Engine Kohler Magnum M18 & M20 SM.pdf
By wallfish
Service manual TP-2204-B
139 pages 4.07MB
Dated 5/93
M18 (18hp or 13.4KW)
1986 718-Z model Z1-18KE01 - Uses M18S-24529
1987 418-8 model 31-18K801 - Uses M18QS-24510
1987 418-A model 31-18KE01 - Uses M18QS-24510
1987 418-C model 41-18KE01 - Uses M18QS-24536 (Toro lists 12536)
1987 718-Z model Z1-18KE02 - Uses M18S-24529
The following were supplied to Wheel Horse according to Kohler records
M18-24510 - 1987
M18-24529 - Supplied to Magic Circle owner of Dixie Chopper
M18-24536 - 1987
M20 (20hp or 14.8KW)
1986 420-LSE Automatic model 31-20KE01 - Uses M20QS-49519
1987 720-Z model Z1-20KE01 - Uses M20S-49523
The following were supplied to Wheel Horse according to Kohler records
M20-49519 - 1986
M20-49523 - 1987
544 downloads
Updated
-
Engine Kohler Magnum M18 & M20 OM.pdf
By gwest_ca-(File Mod)
Operator manual #5259002
16 pages 1.26MB
Dated 12/04
M18 (18hp or 13.4KW)
1986 718-Z model Z1-18KE01 - Uses M18S-24529
1987 418-8 model 31-18K801 - Uses M18QS-24510
1987 418-A model 31-18KE01 - Uses M18QS-24510
1987 418-C model 41-18KE01 - Uses M18QS-24536 (Toro lists 12536)
1987 718-Z model Z1-18KE02 - Uses M18S-24529
The following were supplied to Wheel Horse according to Kohler records
M18-24510 - 1987
M18-24529 - Supplied to Magic Circle owner of Dixie Chopper
M18-24536 - 1987
M20 (20hp or 14.8KW)
1986 420-LSE Automatic model 31-20KE01 - Uses M20QS-49519
1987 720-Z model Z1-20KE01 - Uses M20S-49523
The following were supplied to Wheel Horse according to Kohler records
M20-49519 - 1986
M20-49523 - 1987
256 downloads
Updated
-
Engine Kohler K341 16hp Spec 71105-71384 IPL #TP-691-B.pdf
By gwest_ca-(File Mod)
Illustrated parts lists
60 pages 4.05MB
K341 (16hp or 11.9KW)
1973 C-160 Automatic model 1-0440 used K341S-71113a
1974 C-160 8-Speed model 1-0380 used K341S-71113a
1974 C-160 Automatic model 1-0480 used K341S-71113a
1974 D-160 Automatic model 1-0650 used K341S-71141a
1975 C-160 8-Speed model 1-0381 used K341S-71128a
1975 C-160 Automatic model 1-0481 used K341S-71128a
1975 D-160 Automatic model 1-0651 used K341S-71141a
1976 C-160 8-Speed model 61-16K801 used K341S-71128a
1976 C-160 8-Speed model 61-16K802 used K341S-71128a
1976 C-160 8-Speed model 61-16K803 used K341S-71128a
1976 C-160 8-Speed model 61-16K804 used K341S-71128a
1976 C-160 Automatic model 61-16KS01 used K341S-71128a
1976 C-160 Automatic model 61-16KS02 used K341S-71128a
1976 C-160 Automatic model 61-16KS03 used K341S-71128a
1976 C-160 Automatic model 61-16KS04 used K341S-71128a
1977 C-160 8-Speed model 71-16K801 used K341S-71128a
1977 C-160 8-Speed model 71-16K802 used K341S-71223a
1977 C-160 Automatic model 71-16KS01 used K341S-71128a
1977 C-160 Automatic model 71-16KS02 used K341S-71223a
1978 C-161 8-Speed model 81-16K801 used K341AS-71246a
1978 C-161 Automatic model 81-16KS01 used K341AS-71246a
1979 C-161 8-Speed model 91-16K801 used K341AS-71246a
1979 C-161 Automatic model 91-16KS01 used K341AS-71246a
1980 C-165 8-Speed model 01-16K801 used K341AS-71303d - (Typo 71803 at Toro MPV)
1980 C-165 Automatic model 01-16KE01 used K341AS-71303d - (Typo 71803 at Toro MPV)
1980 C-165 Automatic model 01-16KS01 used K341AS-71303d - (Typo 71803 at Toro MPV)
1981 C-165 8-Speed model 01-16K802 used K341AS-71311a
1981 C-165 Automatic model 01-16KE02 used K341AS-71311a
1982 SK-486 8-Speed model 01-16KH01 used K341AS-71311a
1984 C-165 8-Speed model 11-16K801 used K341AS-71311 (A not included at Toro or in PSB #301e)
1985 416-8 model 31-16K801 used K341S-71371
1986 416-8 model 31-16K802 used K341S-71381 - First with low oil switch
The following were supplied to Wheel Horse according to Kohler records
K341-71113 - 1973, 1974
K341-71128 - 1975, 1976, 1977
K341-71141 - 1974, 1975
K341-71223 - 1977
K341-71246 - 1978, 1979
K341-71303 - 1980 (Typo 71803 at Toro MPV)
K341-71311 - 1981, 1982, 1984
K341-71358 - ?
K341-71371 - 1985
K341-71381 - 1986 - First with low oil switch
561 downloads
Updated
-
Updated
-
Engine Kohler K341S-71128a IPL.pdf
By gwest_ca-(File Mod)
Illustrated parts list
2 pages 333KB
1975 C-160 8-Speed model 1-0381 used K341S-71128a
1975 C-160 Automatic model 1-0481 used K341S-71128a
1976 C-160 8-Speed model 61-16K801 used K341S-71128a
1976 C-160 8-Speed model 61-16K802 used K341S-71128a
1976 C-160 8-Speed model 61-16K803 used K341S-71128a
1976 C-160 8-Speed model 61-16K804 used K341S-71128a
1976 C-160 Automatic model 61-16KS01 used K341S-71128a
1976 C-160 Automatic model 61-16KS02 used K341S-71128a
1976 C-160 Automatic model 61-16KS03 used K341S-71128a
1976 C-160 Automatic model 61-16KS04 used K341S-71128a
1977 C-160 8-Speed model 71-16K801 used K341S-71128a
1977 C-160 Automatic model 71-16KS01 used K341S-71128a
112 downloads
Updated
-
Engine Kohler K241S-46636d IPL.pdf
By gwest_ca-(File Mod)
Illustrated parts list
2 pages 314KB
1972 Charger 10 model 1-0410 - Uses K241S-46636D
1972 Raider 10 model 1-0301 - Uses K241S-46636D
1973 10hp 8-Speed model 1-0360 - Uses K241S-46636D
1973 10hp 8-Speed model 1-0365 - Uses K241S-46636D
1973 10hp Automatic model 1-0470 - Uses K241S-46636D
1973 10hp Automatic model 1-0475 - Uses K241S-46636D
1973 Raider 10 8-Speed model 1-0360 - Uses K241S-46636D - Made in Belgium
1974 B-100 Automatic model 1-0510 - Uses K241S-46636D
1974 C-100 8-Speed model 1-0390 - Uses K241S-46636D
1974 Raider 10 4-Speed model 1-0393 - Uses K241S-46636D - Made in Belgium
1974 Raider 10 8-Speed model 1-0390 - Uses K241S-46636D - Made in Belgium
1975 B-100 Automatic model 1-0511 - Uses K241S-46636D
1975 C-100 4-Speed model 1-0394 Uses ?
1975 C-100 8-Speed model 1-0391 - Uses K241S-46636D
1975 Raider 10 4-Speed model 1-0394 - Uses K241S-46636D - Made in Belgium
1976 B-100 8-Speed model 61-10K801 - Uses K241S-46636D
1976 B-100 8-Speed model 61-10K802 - Uses K241S-46636D
1976 B-100 8-Speed model 61-10K803 - Uses K241S-46636D
1976 B-100 8-Speed model 61-10K804 - Uses K241S-46636D
139 downloads
Updated
-
Engine Kohler K181S-30629d IPL.pdf
By gwest_ca-(File Mod)
Illustrated parts list
2 pages 300KB
1975 B-80 4-Speed model 1-0141 - Uses K181S-30629d
1976 B-80 8-Speed model 61-08K801 - Uses K181S-30629d - Incorrectly named a B-60 @ Toro
1976 B-80 8-Speed model 61-08K802 - Uses K181S-30629d - Incorrectly named a B-60 @ Toro
1976 B-80 8-Speed model 61-08K803 - Uses K181S-30629d
1976 B-80 8-Speed model 61-08K804 - Uses K181S-30629d - Incorrectly named a B-60 @ Toro
1977 B-80 8-Speed model 71-08K801 - Uses K181S-30629d
137 downloads
Updated
-
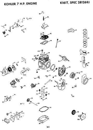
Engine Kohler K161T-281269j IPL.pdf
By gwest_ca-(File Mod)
Illustrated parts list
2 pages 286KB
1976 B-60 8-Speed model 61-07K801 used K161T-281269J
1976 B-60 8-Speed model 61-07K802 used K161T-281269J
1977 B-60 8-Speed model 71-07K801 used K161T-281269J
100 downloads
Updated
-
Engine Kohler Magnum M12 Spec 471527 IPL.pdf
By gwest_ca-(File Mod)
Illustrated parts list for M-12 Spec 471527
15 pages 3.12MB
Taken from the 1997 312-8 model 73363 tractor ipl
M12 (12hp or 9KW)
1987 312-8 model 21-12K804 - Using M12S-471527
1987 312-A model 21-12KE03 - Using M12S-471527
1988 312-8 model 21-12K805 - Using M12S-471527
1989 312-8 model 21-12K806 - Using M12S-471527
1990 312-8 model 31-12K801 - Using M12S-471527
1990 312-8e model R1-12K802 - Using M12S-471527
1990 312-H model 31-12KE01 - Using M12S-471527
1991 312-8 model 31-12K802 Serial 1000001-1999999 - Using M12S-471527
1991 312-8e model R1-12K803 Serial 1000001-1999999 - Using ?
1991 312-H model 51-12KE01 Serial 1000001-1999999 - Using M12S-471521 - May be a typo
1992 312-8 model 31-12K804 Serial 2000001-2999999 - Using M12S-471527
1992 312-8e model R1-12K804 Serial 2000001-2999999 - Using M12S-471527
1992 312-H model 51-12KE02 Serial 2000001-2999999 - Using M12S-471521 - May be a typo
1993 312-8e model 73380 Serial 3900001-3999999 - Using M12S-471527
1994 312-8 model 73362 Serial 4900001-4999999 - Using M12S-471527
1994 312-8e model 73380 Serial 4900001-4999999 - Using M12S-471527
1995 312-8 model 73362 Serial 5900001-5999999 - Using M12S-471527
1996 312-8 model 73362 Serial 6900001-6999999 - Using M12S-471527
1996 312-8 model 73363 Serial 6900001-6999999 - Using M12S-471527
1997 312-8 model 73363 Serial 7900001-7999999 - Using M12S-471527
289 downloads
Updated
-
Engine Kohler Magnum M12 Spec 471546 IPL.pdf
By gwest_ca-(File Mod)
Illustrated parts list for M-12 Spec 471546
30 pages 5.9MB
Taken from the 1997 312-8e model E1-12K802 tractor ipl (Export model)
M12 (12hp or 9KW)
1988 312-8e model E1-12K801 - Using M12S-471546
1989 312-8e model E1-12K802 - Using M12S-471546
1990 312-8e model R1-12K801 - Using M12S-471546
1991 312-8e model R1-12K803 Serial 1000001-1999999 - Using ?
99 downloads
Updated
