Robert K 37 #1 Posted September 17, 2019 Question for whoever may know. I built my own rear axle housing blade brackets and installed a old 42" ? wheel horse front bade on my newly acquired 414-8. Blade is missing the tiller adjustment lever. I think I can make that as well. Now for my real question. I would like to have down force on the blade. Currently it only floats across the ground and I am unable to remove high spots. One other thing that is puzzling is that the lift handle only has one height setting at the top. Nothing to lock it in below the fully raised position. Any fix or ideas? This 414-8 is a tank and I would really like to be able to bite that blade in when needed. Thanks in advance for any ideas. Share this post Link to post Share on other sites
Pullstart 69,874 #2 Posted September 17, 2019 Hi Robert, There have been lift links and lift chains for plows. It wouldn’t be too hard to use a piece of 1/4” flat strap and some shoulder bolts or double nut some normal bolts to create your solid link. Pushing forward on the lift lever would create your down force. Also, adding some barbell weights to the plow might help with your issue as well. 1 1 Share this post Link to post Share on other sites
bottjernat1 2,196 #3 Posted September 17, 2019 put the kidos on it! LOL 1 Share this post Link to post Share on other sites
Robert K 37 #4 Posted September 17, 2019 23 minutes ago, pullstart said: Hi Robert, There have been lift links and lift chains for plows. It wouldn’t be too hard to use a piece of 1/4” flat strap and some shoulder bolts or double nut some normal bolts to create your solid link. Pushing forward on the lift lever would create your down force. Also, adding some barbell weights to the plow might help with your issue as well. 10-4 So bypass the hanging link that is suspended by the chain. Make connection between plow and hard link on lift handle. Should be easy enough. Thanks Pullstart. 1 Share this post Link to post Share on other sites
Robert K 37 #5 Posted September 17, 2019 16 minutes ago, bottjernat1 said: put the kidos on it! LOL Ha Ha I have two boys. One is 205lbs and the other is 180lbs. Bit over kill. 2 Share this post Link to post Share on other sites
bottjernat1 2,196 #6 Posted September 17, 2019 never. my dad use to put all us kids and grand kids on the disc for our n series ford tractors. and there was alot of weight on there even my girlfriend now wife joined in. the garden would look great after discing. LOL 1 Share this post Link to post Share on other sites
Pullstart 69,874 #7 Posted September 17, 2019 10 minutes ago, bottjernat1 said: never. my dad use to put all us kids and grand kids on the disc for our n series ford tractors. and there was alot of weight on there even my girlfriend now wife joined in. the garden would look great after discing. LOL Smart dad... put the kids in harm’s way! There’s a picture of me somewhere when the girls were about 3 and 5 driving a hydrostatic simplicity lawn mower in the garden and me standing on the disc 1 Share this post Link to post Share on other sites
bottjernat1 2,196 #8 Posted September 17, 2019 well we are still alive!! LOL we did lots of crazy stuff. lifting in the front bucket loader. we loved it. this younger generation would have to pass laws banning that sort of stuff. 1 1 Share this post Link to post Share on other sites
The Tuul Crib 7,354 #9 Posted September 17, 2019 1 hour ago, pullstart said: Hi Robert, There have been lift links and lift chains for plows. It wouldn’t be too hard to use a piece of 1/4” flat strap and some shoulder bolts or double nut some normal bolts to create your solid link. Pushing forward on the lift lever would create your down force. Also, adding some barbell weights to the plow might help with your issue as well. Share this post Link to post Share on other sites
Pullstart 69,874 #10 Posted September 17, 2019 1 hour ago, pullstart said: Smart dad... put the kids in harm’s way! There’s a picture of me somewhere when the girls were about 3 and 5 driving a hydrostatic simplicity lawn mower in the garden and me standing on the disc 1 hour ago, bottjernat1 said: well we are still alive!! LOL we did lots of crazy stuff. lifting in the front bucket loader. we loved it. this younger generation would have to pass laws banning that sort of stuff. Here is the picture I was thinking of... and a few more of me and my girls. Jil is the oldest, she’s our “German Kid” who we are going to see on Friday! She’s 21 now, Jada is almost 12 and Rylee’s almost 10. They were 15, 5 and 3 during these photos! 1 5 Share this post Link to post Share on other sites
biged77 113 #11 Posted September 17, 2019 (edited) Check "Wheel Horse Parts and More" on the Vendor page. They have a solid link #7706 for $25 that allows your to provide down pressure by pushing on the lever arm. I bought one and it works well but I also added weight to the front.and filled the rear tires with windshield washer fluid. And welcome to Red Square! Ed Edited September 17, 2019 by biged77 Share this post Link to post Share on other sites
953 nut 65,646 #12 Posted September 17, 2019 Don't know if a solid lift link is what you want with a manual lift tractor. Just a few weights hanging on the blade would do wonders. Share this post Link to post Share on other sites
WVHillbilly520H 10,378 #13 Posted September 17, 2019 10 hours ago, Robert Kernstein said: 10-4 So bypass the hanging link that is suspended by the chain. Make connection between plow and hard link on lift handle. Should be easy enough. Thanks Pullstart. This should help... 1 Share this post Link to post Share on other sites
wallfish 19,871 #14 Posted September 18, 2019 Along with the solid link, on the back of the blade there are holes to adjust the tilt of the blade. The 1/2" rod for the springs is moved to adjust the the tilt. It will bite more tilted back and scrape more all the way forward. 2 Share this post Link to post Share on other sites
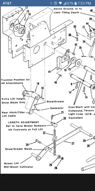
oliver2-44 11,449 #15 Posted September 18, 2019 This excellent thread has a drawing of the long lift link needed for down pressure. 1 Share this post Link to post Share on other sites
Robert K 37 #16 Posted September 18, 2019 You guys are all over these topics. Appreciate all the info. 1 Share this post Link to post Share on other sites
Robert K 37 #17 Posted September 18, 2019 22 hours ago, 953 nut said: Don't know if a solid lift link is what you want with a manual lift tractor. Just a few weights hanging on the blade would do wonders. I hear what your saying man. I just didnt want to add weight to what I have to pull already when lifting. I can pull it no problem but I tend to break things also ha ha 1 Share this post Link to post Share on other sites
Robert K 37 #18 Posted September 20, 2019 (edited) Went with making my own hard links and rear hangars. So far so good. Next up are the 10.50 ag tires I have on order and to rob the wheel weights off my old David Bradley. Edited September 20, 2019 by Robert Kernstein 1 Share this post Link to post Share on other sites
Robert K 37 #19 Posted October 1, 2019 (edited) So finished up with what I was planning. Rear tires. Weights. 3 point with 12 volt actuator and 6000 K 900 lumen head lamps. Edited October 1, 2019 by Robert K Share this post Link to post Share on other sites
Robert K 37 #20 Posted October 1, 2019 Now I can run both the front blade and rear 3 point at the same time with independent lifting mechanisms. Share this post Link to post Share on other sites
JohnD 145 #22 Posted September 25, 2020 Happy Anniversary on your nifty work! These threads never die Who makes the 12V actuator? 1 Share this post Link to post Share on other sites
oliver2-44 11,449 #23 Posted September 26, 2020 @Robert KYes, sure would like a model number and info on that electric actuator. is that a Sears 3 point setup @Stormin also is probable interested in that actuator Share this post Link to post Share on other sites
Robert K 37 #24 Posted October 6, 2020 On 9/25/2020 at 6:40 PM, JohnD said: Happy Anniversary on your nifty work! These threads never die Who makes the 12V actuator? I never could find any maker info. Have a look at linier actuators on google. I have seen some that look just like that one. I do believe the one I have is 300lb. capacity. 1 Share this post Link to post Share on other sites
Robert K 37 #25 Posted October 6, 2020 On 9/25/2020 at 9:24 PM, oliver2-44 said: @Robert KYes, sure would like a model number and info on that electric actuator. is that a Sears 3 point setup @Stormin also is probable interested in that actuator It sure is/was. It was on a 1963 David Bradley I picked up a few years ago. I didn't stand up on the Wheel Horse very well. Actuator worked fine. I just bent the heck out of everything else. Share this post Link to post Share on other sites