p38js 443 #1 Posted December 28, 2018 when I was at the big show I started to fall in love with the short frame tractors of the 60’s. Since it takes a long time for me to decide what I want, at the show every time I was ready to part with my funds on a short frame tractor it was already sold and getting loaded on a small blue pickup truck. So for the last couple of months I had my eyes open for one local. This nice 875 came up for sale not to far away and by the time I decided that was the one it was gone. Well it turns out it showed up on Christmas Day. My wife and youngest daughter bought it out from under me. What a great surprise. It turns out my kids actually do listen to me there is hope in this world yet. So now my dilemma is what to do with this little machine, I just love taking them apart stripping them down and painting them, bringing them back to show room quality and giving them a well deserved rest. But I also like the original patina and some minor modifications. I leaning toward replacing all the bushings and bearings new seals and belts. And putting new shoes on here, I want to go as big as I can 26x12.00-12 with new 12in wheels I think they will fit with out any modifications. And maybe a stack or running the exhaust out under the bottom and out the back of the tractor. 11 5 1 Share this post Link to post Share on other sites
SylvanLakeWH 31,437 #2 Posted December 28, 2018 Lucky man...Wife and daughter like that!!! Nice ride! Do whatever you want with it - Yours as a gift!!! 2 Share this post Link to post Share on other sites
Pullstart 69,961 #3 Posted December 28, 2018 Nice tractor! I wonder who around here has a small blue pickup, buying up all the short frames? 4 8 Share this post Link to post Share on other sites
Pullstart 69,961 #4 Posted December 28, 2018 I would love to see some 26” tires under that thing, by the way! Share this post Link to post Share on other sites
953 nut 66,111 #5 Posted December 28, 2018 1 hour ago, p38js said: My wife and youngest daughter bought it out from under me. What a great surprise. It turns out my kids actually do listen to me there is hope in this world yet. That is sooooo Koooool! Since they have been so involve in this I think it is fitting that they have a lot of input in the finishing touches too. You may have to point them in the correct direction with subtle hints and showing them tractors with what you are thinking of, but it will be neat to keep them involved. As for that guy in the blue truck, what can I tell you, @pullstart has a family that needed wheels! 7 1 2 Share this post Link to post Share on other sites
p38js 443 #6 Posted December 29, 2018 Pullstart that is the truck I even helped you load a couple of them and thinking to myself this is a brand new truck. My daughter doesn’t really care what it looks like she just likes to cruise around the show. She went through 15gallons of fuel on the GT14 that weekend. do you think 26’s will fit I’m looking at Carlisle tru powers 1 Share this post Link to post Share on other sites
953 nut 66,111 #7 Posted December 29, 2018 2 minutes ago, p38js said: do you think 26’s will fit I’m looking at Carlisle tru powers You will need to improvise a little to get them to fit, raise the fender pan and seat and be sure the new rims have enough back spacing. 2 Share this post Link to post Share on other sites
p38js 443 #8 Posted December 29, 2018 @953nut the back spacing is the part i’m not sure about miller tire has wheels with 4.5 in back spacing already to go or a blank wheel with weld in centers. Not sure which way to go yet. The tractor is still on the trailer. Waiting for room in the shop and time. 1 Share this post Link to post Share on other sites
953 nut 66,111 #9 Posted December 29, 2018 Remove one of your rims and lay a straight edge across it, measure the backspace, that is what you need. 4 1/2 sounds too deep. Share this post Link to post Share on other sites
ebinmaine 78,866 #10 Posted December 29, 2018 Most older horse wheels are closer to 1-1/2" or a little more. AWESOME story. Glad to see the family is in on it. I'm almost positive a tire bigger than 24" won't fit without modifying the fender or raising it. 1 1 Share this post Link to post Share on other sites
Pullstart 69,961 #11 Posted December 29, 2018 (edited) 23 minutes ago, p38js said: Pullstart that is the truck I even helped you load a couple of them and thinking to myself this is a brand new truck. My daughter doesn’t really care what it looks like she just likes to cruise around the show. She went through 15gallons of fuel on the GT14 that weekend. do you think 26’s will fit I’m looking at Carlisle tru powers It it was virtually brand new at the show, somewhere around 6,000 miles on it. I’m pushing 24,000 now... In case you didn’t see the “full” pictures, here is the final load, and proof they went back together! Thanks again for the help with Rylee’s Commando! Edited December 29, 2018 by pullstart 6 1 1 Share this post Link to post Share on other sites
p38js 443 #12 Posted December 29, 2018 @pullstart that is an awesome picture and load of tractors i’m glad to see the whole family has their own ride. @953nut looks like wheel blanks and center sections are the way to go, that should give me that nice deep dish look 1 2 Share this post Link to post Share on other sites
ebinmaine 78,866 #13 Posted December 29, 2018 10 minutes ago, p38js said: nice deep dish look Good look. Share this post Link to post Share on other sites
ericj 1,580 #14 Posted December 29, 2018 they make a 24x12x12 that should work with out modifications, and would still look tough as all get out. eric j 1 Share this post Link to post Share on other sites
p38js 443 #15 Posted December 29, 2018 10 hours ago, ericj said: they make a 24x12x12 that should work with out modifications, and would still look tough as all get out. eric j @ericj I have been looking for pictures of the different sizes on a short frame and this gentleman man used 26’s and it is what got me started on 26’s. But i’m definitely open to the 24’s, I believe the only difference is in height if i’m reading the tire charts correctly. 2 3 Share this post Link to post Share on other sites
Ed Kennell 46,076 #16 Posted December 29, 2018 18 hours ago, p38js said: Hmmm, where have I seen that tractor before? Share this post Link to post Share on other sites
p38js 443 #17 Posted December 29, 2018 She got it up around Redding found it on Facebook 1 Share this post Link to post Share on other sites
Ed Kennell 46,076 #18 Posted December 29, 2018 That may be the one I sold on CL. 1 Share this post Link to post Share on other sites
p38js 443 #19 Posted December 30, 2018 If it is Ed it is in good hands. 2 Share this post Link to post Share on other sites
p38js 443 #20 Posted January 21, 2019 Finally have sometime to start digging into this little 875. I have managed to find all the plastic bushings for the hydro control arm. But now I’m searching for the idler pulley, link and brake spring. Any help being pointed in the right direction would be greatly appreciated. Share this post Link to post Share on other sites
oliver2-44 11,482 #21 Posted January 22, 2019 (edited) If you can’t find the idler pulley, you can drill out the spot welds on the existing one and replace the bearing. Then bolt it back together with small screws and locknuts Edited February 7, 2019 by oliver2-44 1 Share this post Link to post Share on other sites
p38js 443 #22 Posted January 22, 2019 Jim, I think I found a pulley and a new bolt, and I will probably have to make a link and a spacer. I’m going to check on the spring at the local Toro dealer and hope it is not discontinued like the link and spacer Share this post Link to post Share on other sites
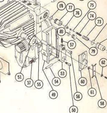
p38js 443 #23 Posted January 26, 2019 I actually found the bolt p/n 911400 the spacer p/n 100309 bushing p/n MW2195 and the pulley p/n MW8821 from the local Toro dealer score, locally sourced 3/16” bar stock and in the process of make a new link. installed new point condenser coil and plug. Put a new fuel pump and rebuilt the carb. Hooked up a fuel source and a battery fired on the first couple of turns and no smoke success. started to rewire. And now I noticed hydraulic fluid leaking from the cam box I hope it is just “o” rings. Then I will be able to see if the hydro will work. Never ending on these old machines. 2 3 Share this post Link to post Share on other sites
pfrederi 20,546 #24 Posted January 26, 2019 (edited) WH wasn't very forthcoming with parts listings for Wheel a Matics, the 875 manual shows nothing...I have a WheelaMatic manual also shows nothing But by 69 they showed the O rings...but since this and the later hydrogears are essentially the same I would suspect you need a dash #026 I use the square profile version ( Dash # 026S ) as it is easier to install and I haven't had any leaks. The other shaft O ring is dash #116.. If you need the O rings pm your address i will mail you a pair. I bought in bulk from McMaster Edited January 26, 2019 by pfrederi 2 Share this post Link to post Share on other sites
bellevillerod 835 #25 Posted January 26, 2019 Those 26in tires you want to run are bigger than you think. Here is a set I made up to go on a 74 roper SS16 I use to pull a 10 in moldboard plow. I had to space them out 4.5in to clear my fenders. I still had to twerk the fenders a little to get 1/4 of clearance. It is a neat look and they work great. A set of turf savers would look really good that wide on the 875. Go for it. 3 1 Share this post Link to post Share on other sites