Brooklyn581 30 #1 Posted January 20, 2024 Hello, I'm new to the group. Thanks for the addition and expertise. I picked up an Electro Charger 12 today. It was the tractor I learned and rode with my father as a boy so I'm looking forward to revitalizing it. I'm asking a broad question 1st of any suggestions or advise everyone has to bringing an old Wheelhorse back to life. What would you say are "must do's / don'ts?" What did you wish you knew before you started your own rebuilds? What did you spend too much time on and wish you had put the energy in elsewhere? From what I have found so far the machine is in great shape for its age. Always kept indoors, does not seem to have and significant wear even looks to be original paint underneath some surface greese which likely help keep it preserved. The tires, seat, wheels all appear to be original as well with no cracks our dry rot. It's a Kholer K301 S motor. So far I've purchased a new spark plug, Kholer 10W30 oil. Oil, fuel and air filters. A can of Seafoam, a new muffler and an owners manual from Ebay. Am I missing anything? I'm going to take a close look at the transmission fluid. I've read this is both transmission and hydro fluid for the Tractor located under the seat. Is this a good fluid to use Amazon.com: Castrol 03520C TRANSMAX DEX/MERC ATF, 1 Gallon, Automatic , Black : Automotive What transmission filter is best? My Tractor seems to have an extra pull switch on the dash too. (Photo attached) can anyone tell me what it's purpose is? Really excited for this project and glad for a resource like tis forum. Thanks in advance, Brooke 6 Share this post Link to post Share on other sites
Tonytoro416 1,318 #2 Posted January 21, 2024 (edited) Biggest thing I’d say with a tractor like yours is don’t go crazy. You can’t fix everything in one day and sometimes things are better left alone especially when they have sentimental value. I say know what it is you WANT to do with it and try to stay on track with that and mostly just enjoy it. So many good people here can and WILL help you Edited January 21, 2024 by Tonytoro416 2 1 Share this post Link to post Share on other sites
Achto 31,794 #3 Posted January 21, 2024 1 hour ago, Brooklyn581 said: owners manual from Ebay. Just a heads up, you could have down loaded a manual for free from this forum. @ebinmaine Could you post a link to the that new to me tractor check list? 1 1 Share this post Link to post Share on other sites
pfrederi 20,533 #4 Posted January 21, 2024 (edited) Pull switch was for the original electric PTO clutch.. obviously replaced over the years with a manual PTO clutch. Any Dex/ Merc automatic transmission fluid will be fine. (Just make sure the fluid in her is red) Wix 51410 is a good filter. I have a few Electro/Chargers ..love them!!! Under the instrument panel (next to the blue arrow) is a data plate what is your model number.? The pulley on the engine indicates it may have had a Starter generator at one point ... also you have a Breakerless ignition system They work well but never ever let voltage get to the wire on the bottom of the coil (triangular thing front left of engine...) I hate to comment on oil but if you are not going to be using her in the winter straight Rotella 30w is my choice for winter 5w-30 Edited January 21, 2024 by pfrederi 1 3 Share this post Link to post Share on other sites
ebinmaine 78,817 #5 Posted January 21, 2024 3 hours ago, Brooklyn581 said: Hello, I'm new to the group. Thanks for the addition and expertise. I picked up an Electro Charger 12 today. It was the tractor I learned and rode with my father as a boy so I'm looking forward to revitalizing it. I'm asking a broad question 1st of any suggestions or advise everyone has to bringing an old Wheelhorse back to life. What would you say are "must do's / don'ts?" What did you wish you knew before you started your own rebuilds? What did you spend too much time on and wish you had put the energy in elsewhere? What transmission filter is best? 1 hour ago, Achto said: Could you post a link to the that new to me tractor check list? Thanks for the "mention" Brooke... Here's the link. We put this list together for a list as concise and complete as possible. It covers several decades. Do read it over... a few times. On your tractor. My opinion? Get it running and driving. Use it. Adapt to it. Improve on the ways it can help you. These machines aren't disposable. They're equipment. A permanent part of our arsenal. Definitely keep asking questions. 3 1 1 Share this post Link to post Share on other sites
953 nut 66,056 #6 Posted January 21, 2024 14 hours ago, Brooklyn581 said: Always kept indoors, does not seem to have and significant wear even looks to be original paint underneath some surface greese which likely help keep it preserved. Always like to see a great old getting some love by a second generation owner. The Electros and Chargers are great garden tractors and with wheel weight and chails it will push a lot of snow. Having the hydraulic lift for the snow plow is a big plus. Enjoy the ride and please ask any questions that may come up. In my opinion I wouldn't even consider painting or replacing anything, The Electro has seen decades of TLC during your father's ownership and you don't want to cover that up with any fresh paint. A bit of elbow grease with some 4-O steel wool and WD-40 will remove the rust and bring back the color. 12 hours ago, pfrederi said: The pulley on the engine indicates it may have had a Starter generator at one point I was wondering about that too. Engine Spec. number is correct for a 1969 Electro, perhaps a very early production unit when the transition from S/G to engine mounted starter took place. 2 1 Share this post Link to post Share on other sites
rjg854 13,036 #7 Posted January 21, 2024 as you've already found out, lots of good help here. Nice Tractor and extras. 1 1 Share this post Link to post Share on other sites
pfrederi 20,533 #8 Posted January 21, 2024 Spec 47147 shows as having a bendix starter not an S/G 1 Share this post Link to post Share on other sites
953 nut 66,056 #9 Posted January 21, 2024 2 hours ago, pfrederi said: Spec 47147 shows as having a bendix starter not an S/G Yes, but the Ponds were notoriously thrifty, many chang-overs involved using up inventory on hand. Perhaps they had a bunch of 4712B engines on hand and ordered starters and flywheel covers from Kohler. Who knows what went on back then? 2 Share this post Link to post Share on other sites
Brooklyn581 30 #10 Posted February 3, 2024 Okay so I've started my project here. I noticed a small red puddle under the transmission so I pressure washed the underside of the tractor. I found the drip which looks like it is supposed to be the drain plug but damaged. Does anyone have a photo of what it should look like? Here's mine. 2 Share this post Link to post Share on other sites
pfrederi 20,533 #11 Posted February 3, 2024 1/4" allen wrench to take it out. 3 1 Share this post Link to post Share on other sites
kpinnc 18,219 #12 Posted February 3, 2024 5 hours ago, Brooklyn581 said: I noticed a small red puddle under the transmission I'd be willing to bet the leak is from the axle seals, and just dripping from the lowest part of the transmission. 3 Share this post Link to post Share on other sites
Horse Newbie 7,404 #13 Posted February 3, 2024 Two things I think I see… Looks like the hole for the Allen head drain plug is oblong, or somehow otherwise damaged. Looks like the damage was caused by the front part of the hitch. . 2 Share this post Link to post Share on other sites
Brooklyn581 30 #14 Posted February 4, 2024 I agree. Someone probably cross threaded it. I checked the transmission fluid level and it was almost empty so I added some to get it midway on the stick. The color was red so I used what I mentioned earlier in the thred. Got the Kohler k301s tuned up and running pretty smoothly today after rewiring most of the machine, cleaning the tank, lines and carb. Got excited Only to jump on, push the lever and go nowhere. I haven't checked the belt carefully but it doesn't seem terrible. Because the transmission had leaked all of its fluid is it possible something needs to be bled? What else am I missing? I've got a machine that looks good, runs great and won't move 😳. Side note the fuel shut off leaks like a sieve when opened even slightly. Is this a bad gasket? I'm not sure. Hoping someone can point me in the right direction here. I can always replace a fuel shut off but the no go transmission is a nail biter. Everything I've read seems like it could be something complex within the Hydro Pump and that looks beyond me. I feel like I'm close to a complete machine here. Help! Share this post Link to post Share on other sites
Brooklyn581 30 #15 Posted February 4, 2024 I should mention once I added the fluid I got a very slight foward movement as long as there is absolutely no resistance and no reverse. Share this post Link to post Share on other sites
oliver2-44 11,480 #16 Posted February 4, 2024 I’m no hydro pro, but the hydraulic lift cylinder works off the hydro charge pump which feeds fluid to the hydro pump. So as a first step, check if the hydraulic lift cylinder moves. This is a simple way to verify that the charge pump is working. Since it was low on oil move the lift control lever back and forth several times. Let us know what you find. 1 1 Share this post Link to post Share on other sites
pfrederi 20,533 #17 Posted February 4, 2024 Tow Valve in Drive position? Rotate it 180 degrees and try again. Roll pin handle may have been incorrectly installed 1 Share this post Link to post Share on other sites
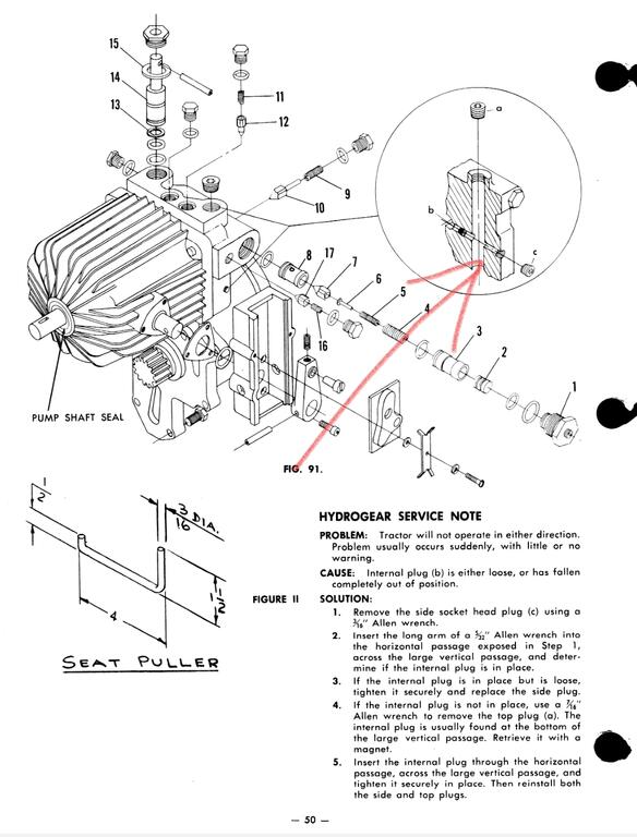
Brooklyn581 30 #18 Posted February 5, 2024 Here was the fix. Found this little guy in the bottom of the cavity just like the book said. 1 1 Share this post Link to post Share on other sites