About This File
Operator manual #265-266
Illustrated parts list
Wiring
11 pages 807.03KB
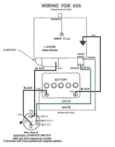
Wiring Revised pdf
1 page 248KB
Short frame tractors
Tractor drive belt for 606 and 656 #9691 (1/2" x 70")
Ignition switch with single terminal for 606 is 3656 replaced by 6890 and nla. See PSB #069
Ignition switch for 656 is 4987 replaced by 101482
Lube chart SS
Details & Attachments
3 pages 114.03KB
1966 model 606
1966 serial numbers that have shown up for the 606
176166
176234
176593
176614
176711
215343
215360
215540
Details & Attachments
3 pages 115.11KB
1966 model 656
1966 serial numbers that have shown up for the 656
175469
175561
175716
175769
175861
175869
211526
212001
212074
212304
212473
245251
245439
252099
255346
255364
255638
255716
