About This File
Operator manual #348
IPL
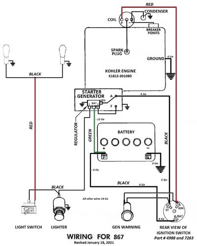
Wiring
15 pages 2.17MB
Dated 1/1/67
Wiring Color pdf
1 page 326KB
Models 867, 1067 and 1267 first models to get headlamps as standard equipment
Tractor drive belt for 867 #9691 - 1/2" x 70"
Starter/Generator belt
Original Wheel Horse 1583 nla Used on 6, 7, 8hp Kohler Starter generator {3Lx33" in belt charts is 3/8" x 33" but some applications use a shorter belt. Belt should have raw rubber sides for grip.}
3V315 Gates .38"x31.5"
3V315 Napa .38"x31.5"
Kohler #231605 Starter generator belt Replaces 232613 [.41"x32.08" 36 degree] PSB #061 Should use raw rubber edge belt for grip
7315 Gates .41"x32.08" 36 degree
25-7315 Napa .41"x32.08" 36 degree
Small Block Kohler Napa # 25-7320 .41" wide x 32.5" long Side angle 36 degrees Cross section HC41
Big Block Kohler Napa # 25-7345 .41" wide x 35.3" long side angle 37 degrees Cross section HC41
Includes PSB #252 for converting limited slip differential to 8-pinion
Lube chart SS
Details & Attachments
3 pages 115.41KB
1967 model 867 - Short frame model
1967 serial numbers that have shown up for the 867
364882
364883
367714
367748
367781
367945
370193
370432
374038
374051
377866
377965
378305
378506
381200
