About This File
Illustrated parts list for model 1-7451
10 pages 2.04MB
Dated 3/70
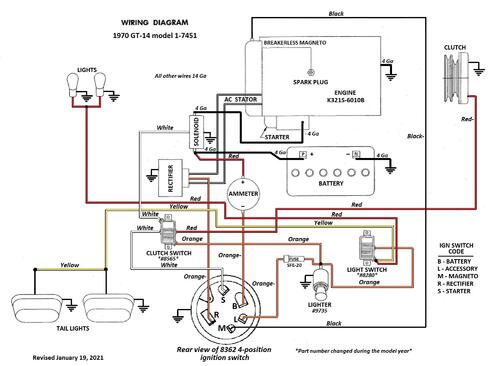
Wiring Color pdf for 1-7451
1 page 442KB
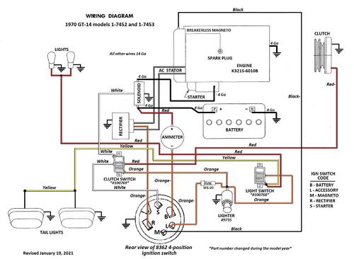
Wiring Color pdf for 1-7452 and 1-7453
1 page 443KB
5955 Sundstrand hydro pump gasket nla - 102759 gasket should work
Illustrated parts list for models 1-7452 and 1-7453
10 pages 2.16MB
5955 Sundstrand hydro pump gasket nla - 102759 gasket should work
Transmission drive belt 8334 - (B x 84.8" or 5/8" x 84.8")
Lube chart SS
Details & Attachments
3 pages 113.02KB
Uses Kohler K321S-6010b with electric start, starter solenoid, 10 amp stator, lighter, lights, electric clutch, ammeter and breakerless ignition. (Toro has the wrong engine spec 60125b posted)
Uses 8362 (Threads 9/16"-24) 5-terminal 4-position (L-B-M-S-R) breakerless ignition switch
1970 GT-14 model 1-7451
1970 serial numbers that have shown up for the 1-7451
630641
630681
630703
630763
630788
630808
630911
630995
631028
632271
632324
632335
632460
632474
632547
632589
632661
634239
634254
634432
634528
634621
634623
------------------------------------------------------------------------------------
Details & Attachments
3 pages 112.73KB
Uses Kohler K321S-6010b with electric start, starter solenoid, 10 amp stator, lighter, lights, electric clutch, ammeter and breakerless ignition. (Toro has the wrong engine spec 60125b posted)
Uses 8362 (Threads 9/16"-24) 5-terminal 4-position (L-B-M-S-R) breakerless ignition switch
1970 GT-14 model 1-7452
1970 serial numbers that have shown up for the 1-7452
684221
684253 - (6842536 posted)
684322
684548
684553
684803
685064
685077
724882
724889
724931
725096
725183
725193
----------------------------------------------------------------------------------
Details & Attachments
3 pages 112.93KB
Uses Kohler K321S-6010b with electric start, starter solenoid, 10 amp stator, lighter, lights, electric clutch, ammeter and breakerless ignition. (Toro has the wrong engine spec 60125b posted)
Uses 8362 (Threads 9/16"-24) 5-terminal 4-position (L-B-M-S-R) breakerless ignition switch
1970 GT-14 model 1-7453 - Not in belt chart
1970 serial numbers that have shown up for the 1-7453
