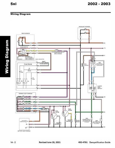
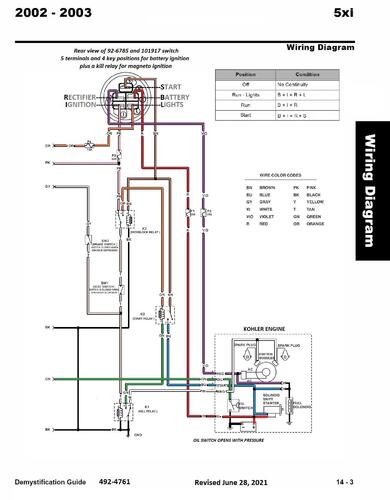
About This File
Wiring Detailed from the Demystification Guide #492-4761
15 pages 3.7MB
p14-1 to p14-15
2003 520xi Garden Tractor model 73542 Serial 230000001-230999999
2003 520xi Garden Tractor model 73570 Serial 230000001-230999999 - Export model 520xie
2003 522xi Garden Tractor model 73561 Serial 230000001-230999999
