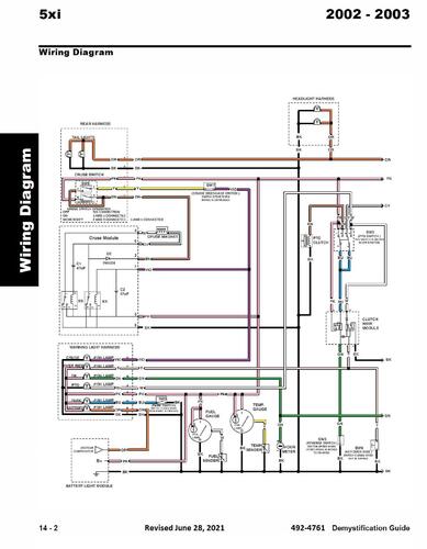
About This File
Wiring Detailed from the Demystification Guide #492-4761
15 pages 3.7MB
p14-1 to p14-15
2002 520xi Garden Tractor model 73542 Serial 220000001-220999999
2002 520xi Garden Tractor model 73570 Serial 220000001-220999999 - Export model 520xie
2002 522xi Garden Tractor model 73561 Serial 220000001-220999999
