Jump to content

Tractor 2002 522xi Wiring Detailed Rev'd #492-4761.pdf

Sign in to follow this  

gwest_ca

3 Screenshots

About This File

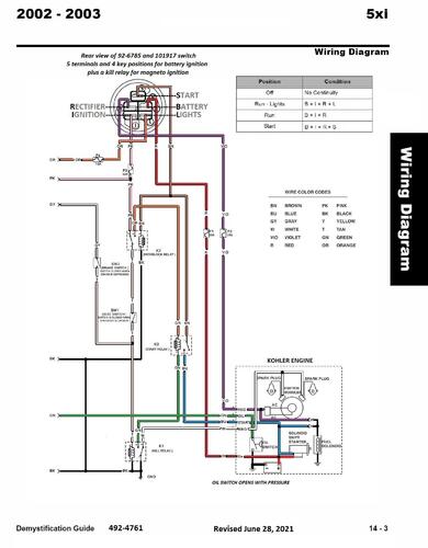
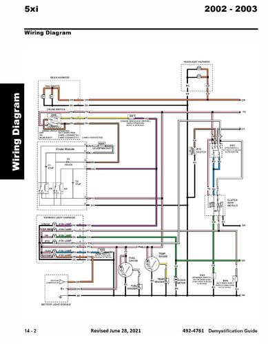
Wiring Detailed

15 pages 3.7MB

 

2002 522xi model 73561 Serial 220000001-220999999




×
×
  • Create New...