About This File
Operator manual #215-68
IPL
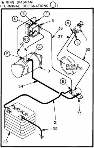
Wiring
28 pages 2.42MB
Engine used @ Toro is B&S 170402 for both does not look correct
600 Peerless listed @ Toro
601A Peerless transmission written in manual
32" side discharge mower deck
Formerly Springfield
Details and attachments
2 pages 106.00KB
1968 7hp Lawn tractor model 55001 Serial 8000001-8999999 - Recoil start
Details and attachments
2 pages 106.42KB
1968 7hp Lawn tractor model 55101 Serial 8000001-8999999 - Electric start
