About This File
Operator manual #3325-547
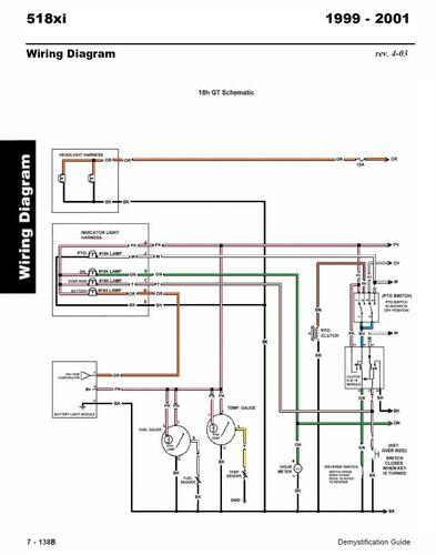
Wiring
40 pages 1.68MB
Setup instructions #3325-563
4 pages 234.37KB
IPL #3325-559
Wiring
64 pages 2.69MB
Details & Attachments
3 pages 123.52KB
2001 518xi model 73471 Serial 210000001-210999999 - This may be the same as a Ford New Holland model GT18
2001 serial numbers that have shown up for the 73471
210000172
