Jump to content

Tractor 2001 518xi Wiring Detailed Rev.pdf 1.0.0

Sign in to follow this  

gwest_ca

3 Screenshots

About This File

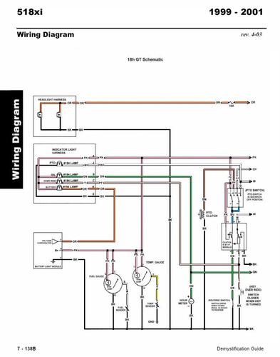
Detailed wiring from the Demystification Guide #492-4509

p7-138A to p7-138H color pdf - There is no p7-138D

7 pages 2.1MB

 

2001 518xi model 73471 Serial 210000001-210999999




×
×
  • Create New...