About This File
Early 2000 models
Operator manual #3321-939
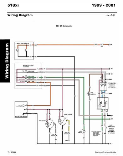
Wiring
52 pages 1.22MB
Setup instructions #3321-962
8 pages 193.76KB
IPL #3321-940
Part 1
21 pages 7.66MB
Part 2 - Includes wiring
18 pages 4.53MB
Part 3 - Includes Kohler CH18S-62579 IPL
25 pages 1.95MB
Details & Attachments
3 pages 121.96KB
2000 518xi Garden Tractor model 73471 Early Serial 000000001-000999999 - This may be the same as a Ford New Holland model GT18
Late 2000 models
Operator manual #3323-504RevA
Wiring
52 pages 1.69MB
Setup instructions #3323-484
8 pages 95.64KB
IPL #3324-379 - Includes Kohler CH18S-62579 IPL
Wiring
64 pages 3.32MB
Details & Attachments
3 pages 122.78KB
2000 518xi Garden Tractor model 73471 Late Serial 200000001-200999999 - This may be the same as a Ford New Holland model GT18
2000 serial numbers that have shown up for the late 73471
200000197
