About This File
Operator manual #3321-939
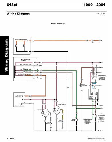
Wiring
52 pages 1.22MB
Setup instructions #3321-962
8 pages 193.76KB
IPL #3321-940
Part 1
21 pages 7.66MB
Part 2 - Includes wiring
18 pages 4.53MB
Part 3 - Includes Kohler CH18S-62579 IPL
25 pages 1.95MB
First year for NMIR module - No Mow In Reverse
Details & Attachments
3 pages 122.14KB
1999 518xi model 73471 Serial 9900001-9999999 - This may be the same as a Ford New Holland model GT18
1999 serial numbers that have shown up for the 73471
9900252
9900306
