About This File
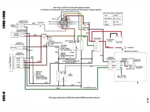
Operator manual #3318-114
Illustrated parts list #3318-932
Lube chart SS
Transmission drive belt 92-6719 replaced by 92-6955 (HA x 97.5" or 1/2" x 97.5")
Details & Attachments
3 pages 122.76KB
1997 265-6 model 72045 Serial 7900001-7999999 - Export model 265-6e
Links
For tractor service manual see
For engine operator manual see
For engine service manual see
For Peerless 820-024 transmission ipl see
For service bulletins do a search of the Manuals using 72045
