Jump to content

Tractor 1997 265-6e Wiring Detailed Rev.pdf 1.0.0

Sign in to follow this  

gwest_ca

2 Screenshots

About This File

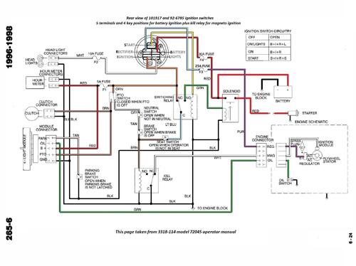
Detailed wiring from the Demystification Guide #492-4509

5 pages 1.3MB color pdf

p6-23 to p6-27

 

1997 265-6 model 72045 Serial 7900001-7999999 - Export model 265-6e




×
×
  • Create New...