About This File
Operator manual #3318-114
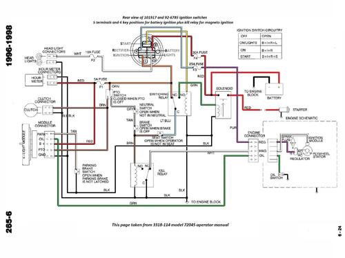
Wiring
40 pages 1.33MB
IPL #3317-772
Wiring
48 pages 1.07MB
Setup instructions #3318-279
8 pages 472.12KB
Lube chart SS
Details & Attachments
3 pages 121.23KB
1996 265-6 model 72045 Serial 6900001-6999999 - Export model 265-6e
1996 serial numbers that have shown up for the 72045
6900355
Links
For tractor service manual see
For engine operator manual see
For engine service manual see
For Peerless 820-024 transmission ipl see
For service bulletins do a search of the Manuals using 72045
