About This File
Color wiring pdf
1 page 548KB
Lube chart SS
Transmission drive belt 108501 - (HB/5L x 81.50" or 5/8" x 81.5")
---------------------------------------------------------------------------
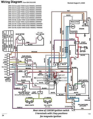
1996 314-H model 73401
Operator manual #3315-390 RevA
Wiring
32 pages 6.5MB
IPL #3317-887
52 pages 954KB
Details & Attachments
2 pages 107.93KB
1996 314-H model 73401 Serial 6900001-6999999
1996 serial numbers that have shown up for the 73401
--------------------------------------------------------------------------------------------------------------------------------------------
Operator manual #3318-513
Wiring
44 pages 1.9MB
IPL #3324-848
Wiring
40 pages 1.7MB
Setup Instructions #3318-503
8 pages 658KB
Details & Attachments
3 pages 121.02KB
1996 314-H model 73403 Serial 6900001-6999999 - (Has gold trim on hood and wheel covers)
1996 serial numbers that have shown up for the 7340
6900120
6900180
6900532
6900635
