Jump to content

Tractor 1996 314-8 Early OM Wiring Revised.pdf

Sign in to follow this  

gwest_ca

4 Screenshots

About This File

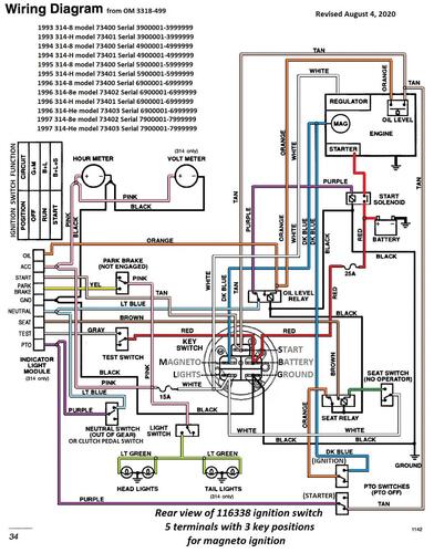
Operator manual #3316-530

Wiring

32 pages 2.63MB

 

Color wiringpdf

1 page 548KB

 

Lube chart SS

 

1996 314-8 model 73400 Serial 6900001-6999999




×
×
  • Create New...