About This File
Operator manual #3318-822
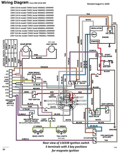
Wiring
40 pages 1.76MB
Color wiring pdf
1 page 548KB
Setup instructions #3319-267
8 pages 294.55KB
Lube chart SS
Details & Attachments
4 pages 123.99KB
1997 314-8 model 73402 Serial 7900001-7999999
1997 serial numbers that have shown up for the 73402
7900413
7900815
7900961
