About This File
Operator manual #3316-530
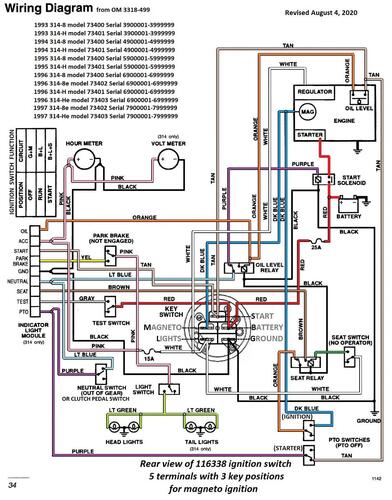
Wiring
32 pages 2.63MB
Color wiring pdf
1 page 548KB
Lube chart SS
Details & Attachments
3 pages 120.6KB
1995 314-8 model 73400 Serial 5900001-5999999
1995 serial numbers that have shown up for the 73400
5900796
5901300
5901397
5901451
5901927
5902068
5902150
5902238
