About This File
Operator manual #3315-390RevA or #3315-390 RevA
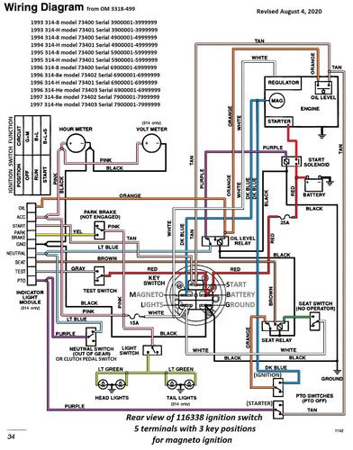
Wiring
Part 1 of 2
16 pages 3.12MB
Part 2 of 2
16 pages 3.68MB
Wiring color pdf
1 page 548KB
Lube chart SS
Details & Attachments
3 pages 119.56KB
1993 314-H model 73401 Serial 3900001-3999999
1993 serial numbers that have shown up for the 73401
3900307
3900477
3900663
