Jump to content

Tractor 1994 314-8 & 314-H Wiring Detailed Rev'd.pdf

Sign in to follow this  

gwest_ca

2 Screenshots

About This File

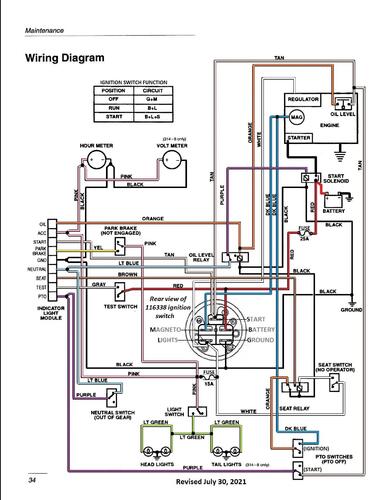
Detailed wiring from the Demystification Guide #492-4509

Revised Color pdf

4 pages 1.5MB

p7-53 to p7-56

 

1994 314-8 model 73400 Serial 4900001-4999999

 

1994 314-H model 73401 Serial 4900001-4999999




×
×
  • Create New...