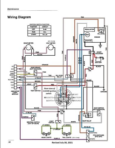
About This File
Detailed wiring from the Demystification Guide #492-4509
4 pages 949.92KB
p7-23 to p7-26 - This is the wrong diagram
p7-53 to p7-56
4 pages 1.5MB
Seat switch wires are green and white
1993 314-8 model 73400 Serial 3900001-3999999
