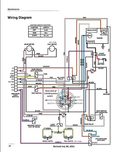
About This File
Detailed wiring from the Demystification Guide #492-4509
Revised Color pdf
4 pages 1.5MB
p7-53 to p7-56
1995 314-8 model 73400 Serial 5900001-5999999
1995 314-H model 73401 Serial 5900001-5900260
1995 314-H model 73401 Serial 5900261-5901260
1995 314-H model 73401 Serial 5901261-5999999
