About This File
Operator manual #201
IPL
Wiring
12 pages 1.28MB
Dated 4/22/64
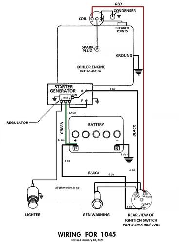
Wiring Color pdf
1 page 297KB
Another Special model built to use up an excess of parts inventory. It has been said there were 1100 units built.
Short frame model
Engine crankshaft has a 1" diameter pto end.
Serial numbers are recorded with the 1964 model 1045
Tractor drive belt #1576 replaced by 9691 (HA x 70" or 1/2" x 70")
Starter/generator belt
Kohler 10hp, 12hp - 235262 (7345 Gates .410" x 35.09" 36 degree) (25-7345 Napa .410" x 35.09" 36 degree)
Wheel Horse 1593 (3L x 34.4") - nla (Gates replacement 6735 3/8" x 35" 38 degree)
Lube chart SS
Details & Attachments
3 pages 117.25KB
1964 model 1045 - Built late in the 1964 model year
1965 model 1045 - Often considered a 1964 model but in a 1965 manual also.
