Jump to content

Tractor 1963 425-L & 425-L3 Reo Rider D&A IPL sn.pdf

Sign in to follow this  

gwest_ca

2 Screenshots

About This File

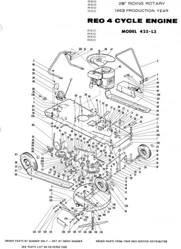
IPL
5 pages 258.79KB

Details & Attachments
2 pages 103.98KB

1963 model 425-L

1963 model 425-L3 - These may be the same model




×
×
  • Create New...