Jump to content

Tractor 1997 314-8 IPL Wiring Revised.pdf

Sign in to follow this  

gwest_ca

2 Screenshots

About This File

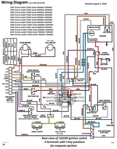
IPL #3319-159

Wiring

50 pages 1.23MB

 

Color wiring pdf

1 page 548KB

 

Single cylinder transmission drive belt 93-9808 - HB x 82" or 5/8" x 82"

 

1997 314-8 model 73402 Serial 7900001-7999999




×
×
  • Create New...