Jump to content

Tractor 1997 314-H IPL Wiring Revised.pdf

Sign in to follow this  

admin

2 Screenshots

About This File

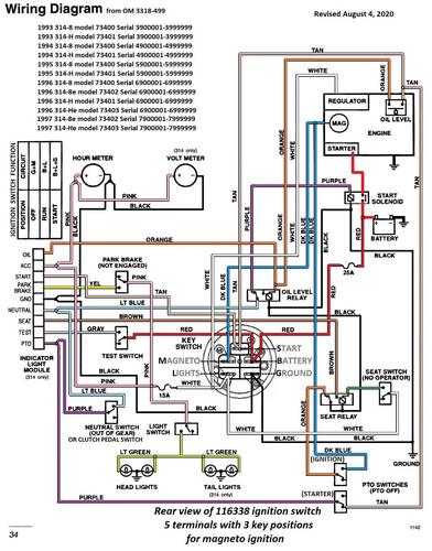
IPL #3319-160

Wiring

56 pages 1.43MB

 

Color wiring pdf

1 page 548KB

 

Transmission drive belt 108501 - (HB/5L x 81.50" or 5/8" x 81.5")

 

1997 314-H model 73403 Serial 7900001-7999999




×
×
  • Create New...