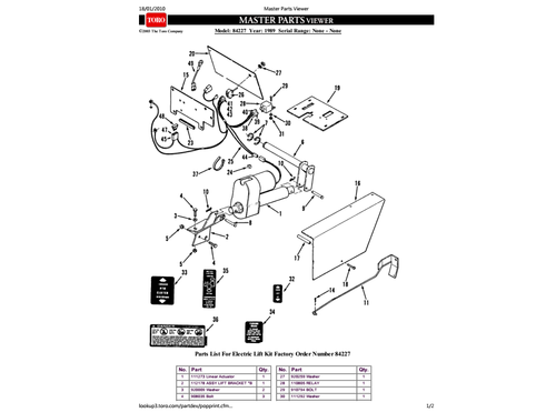
About This File
IPL from Toro Master Parts Viewer
2 pages 159.96KB
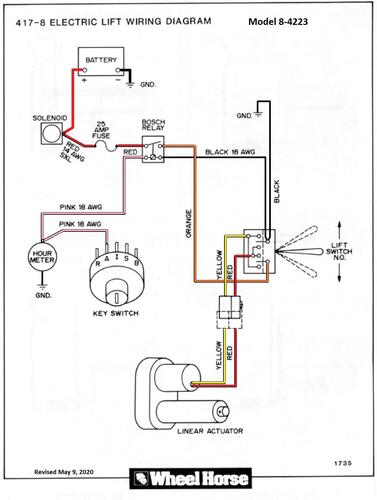
Wiring from 1986 service manual Color pdf
1 page 230KB
Model 84224 @ Toro
Replaced 8-4223 (84223)
May have been replaced by 8-4225 84225)
Fits
1989 310-8 model 21-10K806 [May have used 8-4223 (84223)]
1989 312-8 model 21-12K806 [May have used 8-4223 (84223)]
1989 414-8 model 31-14K804 [May have used 8-4223 (84223)]
1989 416-8 model 31-16O801 [May have used 8-4223 (84223)]
1990 310-8 model 31-10K801 [May have used 8-4223 (84223)]
1990 312-8 model 31-12K801 [May have used 8-4223 (84223)]
1990 416-8 model 31-16O802 [May have used 8-4223 (84223)]
