About This File
IPL from Toro Master Parts Viewer
2 pages 161.19KB
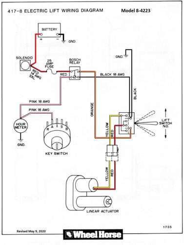
Wiring from 1986 service manual Color pdf
1 page 230KB
Model 84223 @ Toro
Replaced by 8-4224 (84224)
Fits
1985 310-8 model 21-10K801
1985 312-8 model 21-12K801
1985 314-8 model 21-14K801
1985 314-A model 21-14KE01
1985 416-8 model 31-16K801
1985 417-8 model 31-17K801
1986 310-8 model 21-10K802
1986 310-8 model 21-10K803
1986 312-8 model 21-12K802
1986 312-8 model 21-12K803
1986 312-A model 21-12KE01
1986 312-A model 21-12KE02
1986 414-8 model 31-14K801
1986 416-8 model 31-16K802
1986 417-8 model 31-17K802 (Standard equipment)
1987 310-8 model 21-10K804
1987 312-8 model 21-12K804
1987 312-A model 21-12KE03
1987 414-8 model 31-14K802
1987 416-8 model 31-16K803
1987 418-8 model 31-18K801 (Standard equipment)
1988 310-8 model 21-10K805
1988 312-8 model 21-12K805
1988 414-8 model 31-14K803
1988 416-8 model 31-16K804
1989 310-8 model 21-10K806 [May have used 8-4224 (84224)]
1989 312-8 model 21-12K806 [May have used 8-4224 (84224)]
1989 414-8 model 31-14K804 [May have used 8-4224 (84224)]
1989 416-8 model 31-16O801 [May have used 8-4224 (84224)]
1990 310-8 model 31-10K801 [May have used 8-4224 (84224)]
1990 312-8 model 31-12K801 [May have used 8-4224 (84224)]
1990 416-8 model 31-16O802 [May have used 8-4224 (84224)]
