About This File
Parts list from Toro Master Parts Viewer
12 pages 1.04MB
Wiring Color pdf
1 page 373KB
Illustrated parts list link
Use the 1971 parts list for the Bronco 12 model 1-0420 with the following exceptions
Tractor 1971 1-0420 Bronco Parts letter.pdf
2 pages 284KB
These pages are posted twice @ Toro with the following differences
Tractor parts list
Item #3 is a nut 915661-4 on one page and a carriage bolt 900196-4 on the other
Item #50 should be part number 933188 replaced by 32121-93
Item #60 should be part number 915234-4 replaced by 3318-1
Item #103 panel part numbers 17917 and 7917 listed ?
Item #113 clip part numbers 14256 and 4256 listed ?
Item #114 Corbin clamp 7/16" part number 950153 is correct
Transmission pages look the same.
5955 Sundstrand hydro pump gasket nla - 102759 gasket should work
Hydraulic Lift page
Item #19 arm part number 6629 looks correct
Item #43 part number 933506-4 hairpin on the 1st page but not on the 2nd page.
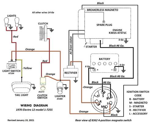
Terminals on 8362 magneto ignition switch may not be identified
1 page 126KB
Tractor drive belt # 7478 replaces # 4535 (HB/5L x 84.22" or 5/8" x 84.22")
Lube chart SS
Details & Attachments
3 pages 115.45KB
1970 Electro 12 model 1-7255 - Uses Kohler K301S-47371c
1970 serial numbers that have shown up for the 1-7255
002685 - Made in Belgium
640029
640110
640316
640380
640451
642966
642977
643082
643114
643211
643231
643368
726278
726507
736260
