About This File
Operator manual #204
Illustrated parts list
Wiring
11 pages 1.70MB
Dated 9/14/64
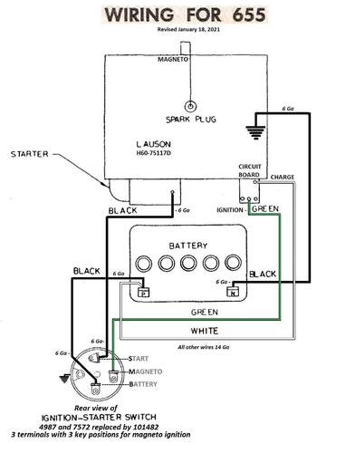
Wiring Revised pdf
1 page 256KB
Tractor drive belt for 605 and 655 #9691 - 1/2" x 70"
Ignition switch with single terminal for 605 is 3656 replaced by 6890 and nla. See PSB #069
Ignition switch for 655 is 4987 replaced by 101482
Short frame 41-1/4" wheelbase
Lube chart SS
Details & Attachments
3 pages 115.21KB
1965 model 605
1965 serial numbers that have shown up for the 605
058835
105895
106126
106147
109816
109959
133206
-----------------------------------------------------------------------
Details & Attachments
3 pages 116.12KB
1965 model 655
1965 serial numbers that have shown up for the 655
106341
106720
106847
107052
107102
115152
115341
115768
133363
133389
133488
133662
133946
134203
134256
134476
