About This File
Operator manual
IPL
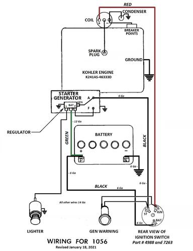
Wiring
11 pages 2.44MB
Wiring Color pdf
1 page 297KB
Parts list from Toro Master Parts Viewer
7 pages 308.86KB
Long frame tractor
Transmission drive belt 1586 replaced by 9714 (HA x 76" or 1/2" x 76")
Starter/generator belt
Kohler 10hp, 12hp - 235262 (7345 Gates .410" x 35.09" 36 degree) (25-7345 Napa .410" x 35.09" 36 degree)
Wheel Horse 1593 (3L x 34.4") - nla (Gates replacement 6735 3/8" x 35" 38 degree)
Ignition switch 4988 (5/8"-32 threads) replaced by 7263 (9/16"-24 threads)
Lube chart SS
Details & Attachments
4 pages 118.99KB
1966 model 1056
1966 serial numbers that have shown up for the 1056
183816
183965
184153
184690
216183
216258
216295
216355
216436
216695
216831 - Model T1056 om data plate
241878
241888
241943
249302
249307
251404
251472
What's New in Version OM Form 720 10-12-65
Released
Copy of owners manual
11 Pages 2.5MB
-----------------------------------------------------------------------------------------------------
Parts list from Toro Master Parts Viewer
7 pages 308.86KB
Long frame tractor
Transmission drive belt 1586 replaced by 9714 (HA x 76" or 1/2" x 76")
Ignition switch 4988 (5/8"-32 threads) replaced by 7263 (9/16"-24 threads)
------------------------------------------------------------------------------------------------------------
Details & Attachments
4 pages 118.99KB
____________________________________________________________________
1966 model 1056
1966 serial numbers that have shown up for the 1056
183816
183965
184690
216183
216355
216436
216695
241878
241888
241943
249307
251404
251472
