Jump to content

Tractor 1993 314-H Wiring Detailed Rev'd.pdf

Sign in to follow this  

gwest_ca

2 Screenshots

About This File

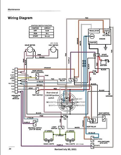
Detailed wiring from the Demystification Guide #492-4509

Revised Color pdf

4 pages 1.5MB

p7-53 to p7-56

 

1993 314-H model 73401 Serial 3900001-3999999




×
×
  • Create New...