About This File
Operator manual #416
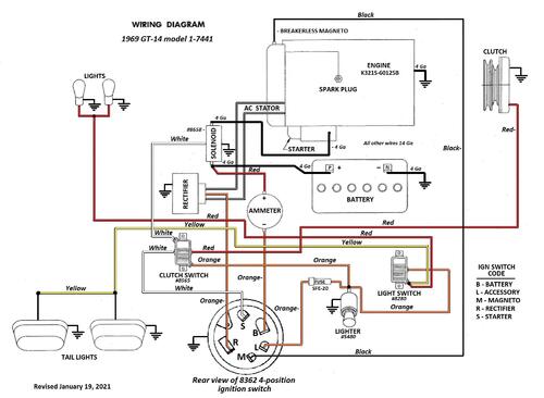
Wiring
Part 1 - 6 pages 1.47MB
Part 2 - 6 pages 3.15MB
Dated 10/23/68 Revised 11/11/68
IPL from Toro Master Parts Viewer
8 pages 617.66KB
Wiring Color pdf
1 page 443KB
PSB #102
5 pages 90.91KB
Uses Kohler K321S-6010b with electric start, starter solenoid, 10 amp stator, lighter, lights, electric pto clutch, ammeter and breakerless ignition. (Toro has the wrong engine spec 60125b posted)
Uses 8362 (Threads 9/16"-24) 5-terminal 4-position (L-B-M-S-R) breakerless ignition switch
5955 Sundstrand hydro pump gasket nla - 102759 gasket should work
Transmission drive belt 8334 - (B x 84.8" or 5/8" x 84.8")
Lube chart SS
Details & Attachments
3 pages 111.81KB
1969 GT-14 model 1-7441
1969 serial numbers that have shown up for the 1-7441
54594x
555525
558866
558962
559130
559191
559303
564185
564250
564346
564362
564402
564412
564435
566760
566856
566988
568053
568197
568293
568448
578663
578665
578689
582345
