About This File
Operator manual #877
IPL
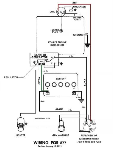
Wiring
16 pages 2.90MB
Wiring Color pdf
1 page 298KB
Change to tow valve
1 page 187KB
Tractor drive belt 6146 replaced by 8005 and both no longer available from Toro - (4L x 72" or 1/2" x 72")
Starter/Generator belt
Original Wheel Horse 1583 nla Used on 6, 7, 8hp Kohler Starter generator {3Lx33" in belt charts is 3/8" x 33" but some applications use a shorter belt. Belt should have raw rubber sides for grip.}
3V315 Gates .38"x31.5"
3V315 Napa .38"x31.5"
Kohler #231605 Starter generator belt Replaces 232613 [.41"x32.08" 36 degree] PSB #061 Should use raw edge belt
7315 Gates .41"x32.08" 36 degree
25-7315 Napa .41"x32.08" 36 degree
Small Block Kohler Napa # 25-7320 .41" wide x 32.5" long Side angle 36 degrees Cross section HC41
Lube chart SS
Details & Attachments
3 pages 116.01KB
1967 model 877- Uses the 5052 hydro transmission identified at Toro as 3100077
1967 serial numbers that have shown up for the 877
278823
278986
279069
279313
314097
