Ben444 9 #1 Posted June 1, 2021 (edited) Hi. New to the group. I just bought this tractor and mowing with it for the first time today all of the sudden I had no forward or reverse (it is a hydro). I noticed the drive belt was loose so after pulling off the cover I could see it had slipped off of the drive clutch pulley. I noticed the pulley was in pretty bad shape and would barely turn. I lubricated it but when I put the belt back on it and started the tractor it would not turn. It does hold enough tension on the belt to "work" but I am sure this is wearing the belt out. I didn't see an obvious way of getting the pulley off and was wondering if anyone had any experience replacing one. Where would I find one? Edited June 1, 2021 by Ben444 add another Share this post Link to post Share on other sites
Lee1977 7,632 #2 Posted June 1, 2021 The idler number is 7434 changed to 112425 changed to 92-7101. I usually use Parts Tree or RCPW. I have had good fast service from both. If ordering one part I go with RCPW as the shipping is added into the price, If ordering several parts I go with Parts Tree as they don't have the shipping added to each part. It is usually not much difference with either one. 2 Share this post Link to post Share on other sites
Gregor 4,847 #3 Posted June 1, 2021 9 hours ago, Ben444 said: I didn't see an obvious way of getting the pulley off and was wondering if anyone had any experience replacing one. Remove the running board and you should be able to get to the pulley easily. Just 2 carriage bolts I think. Call (507) 213-6346 Wheel Horse Parts and More. Tell him what you have, what you want, and he will fix you up. 4 Share this post Link to post Share on other sites
Ben444 9 #4 Posted June 1, 2021 Thanks for the replies. I can get to the pulley, just not sure how to get the pulley off. Is there a bolt that holds it on or ? I didn't spend a lot of time looking at it but I didn't see a bolt or anything obvious. Thought maybe someone on this board may have replaced one before and could give me some guidance. Share this post Link to post Share on other sites
Gregor 4,847 #5 Posted June 1, 2021 There is a bolt. It has a very thin head. There is not a nut on the other end. There is also a spacer, and a washer in the linkage. Pay close attention to how things come apart. Put it back the smae way. I would not take it apart until you have the new pulley in hand, and ready to install. 2 Share this post Link to post Share on other sites
WHX?? 56,157 #6 Posted June 1, 2021 Sounds like Greg has got you covered! 1 Share this post Link to post Share on other sites
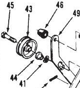
Ben444 9 #7 Posted June 1, 2021 (edited) Thanks Gregor and Lee1977 ! That is exactly what I needed. Any idea what the part number is on the knob at the end of the lever (labelled 47 and 48 in the diagram). Or if you can point me where I can look up the part numbers myself that would be great. Edited June 1, 2021 by Ben444 added a question Share this post Link to post Share on other sites
pfrederi 20,305 #8 Posted June 1, 2021 click on fuzy pic to download parts manual 1 Share this post Link to post Share on other sites
Ben444 9 #9 Posted June 2, 2021 (edited) Thanks pfrederi ! Edited June 2, 2021 by Ben444 spelling error Share this post Link to post Share on other sites
Ben444 9 #10 Posted July 16, 2021 (edited) Again thanks to all who have helped me on this. I did order a new pulley and recovered the bolt and the spacer from my original but not the wave washer (see parts diagram above). Problem is, the wave washer is no longer available. Bolt is 3/8-16x1 1/2. Can I just use any 3/8 wave washer? Does the Wheel Horse wave washer have any distinct chracteristics such as type of metal, etc? Also, the two diagrams below seem to differ in the placement of the wave washer (#36 vs #41), in term of which side of the handle it goes. Can anyone tell me which is correct? Edited July 16, 2021 by Ben444 correction Share this post Link to post Share on other sites
Gregor 4,847 #11 Posted July 16, 2021 Personally, I would wave buh bye, to the washer and tell it to have a nice day. If I didn't have one on hand. 1 Share this post Link to post Share on other sites
pfrederi 20,305 #12 Posted July 16, 2021 (edited) I just use 3/8" wave washers from McMaster (only because I live a long way from a hardware store. They do make a difference in rattles /vibration Edited July 16, 2021 by pfrederi 1 Share this post Link to post Share on other sites
Gregor 4,847 #13 Posted July 16, 2021 2 hours ago, Ben444 said: the two diagrams below seem to differ in the placement of the wave washer (#36 vs #41), in term of which side of the handle it goes. It will end up in the same place. 1 Share this post Link to post Share on other sites
Gregor 4,847 #14 Posted July 17, 2021 15 hours ago, pfrederi said: They do make a difference in rattles /vibration I may have to re-think my stand on the wave washer. Pulled this link from my 125. The wave washer was missing. 1 Share this post Link to post Share on other sites
Gregor 4,847 #15 Posted July 17, 2021 All better now. Washers on order. 1 Share this post Link to post Share on other sites
Ben444 9 #16 Posted July 18, 2021 (edited) Again thanks to all who have helped me on this. I did order a new pulley and recovered the bolt and the spacer from my original but not the wave washer (see parts diagram above). Problem is, the wave washer is no longer available. Bolt is 3/8-16x1 1/2. Can I just use any 3/8 wave washer? I see them online ranging from a dollar to 22 dollars. Does the Wheel Horse wave washer have any distinct chracteristics such as type of metal, etc? Edited July 20, 2021 by Ben444 correction Share this post Link to post Share on other sites
Ben444 9 #17 Posted July 18, 2021 Finally got everything back together and mowed my yard with it. Works great. Now I almost don't want to sell it but it is way too much for my yard. Not sure what I was thinking when I bought it. I have had my 655 for 40 years and love it. Going to concentrate on getting everything fixed on that tractor. It works better for my yard. I can't thank you all enough for all of the help you gave me. This forum is awesome. -Ben 2 Share this post Link to post Share on other sites
Gregor 4,847 #18 Posted July 21, 2021 On 7/16/2021 at 3:41 PM, pfrederi said: I just use 3/8" wave washers from McMaster I ordered some 3/8 wave washers from McMaster Carr, and installed one this morning. I don't think 3/8 is quite right. When you put a 3/8 wave washer on a 3/8 bolt, and tighten down the bolt, it's not very wavy anymore. I believe the wave washer has to fit over the shoulder of part # 44 in the above diagram. I ordered some wave washers from Partstree by part number, rather than size. I'll see what I get. Share this post Link to post Share on other sites
Jeff-C175 7,207 #19 Posted July 21, 2021 (edited) 39 minutes ago, Gregor said: I believe the wave washer has to fit over the shoulder of part # 44 in the above diagram I'm trying to recall the last time I had mine apart, but I believe the wave washer does have to fit over the spacer in order to take up the 'slack' between the lever and the bracket. It needs to work as a 'spring' between the two parts, so it's going to 'float' between them. Edited July 21, 2021 by Jeff-C175 1 Share this post Link to post Share on other sites
Gregor 4,847 #20 Posted July 21, 2021 I also seem to have a problem with the belt and idler pulley. A couple of days ago when I took it apart, and again this morning, I found the belt as it is in the pic. I ordered a new pulley in hopes of correcting this, but I'm not too hopeful. The pulley on the PTO is on the motor as far as it can possibly go. Share this post Link to post Share on other sites
Jeff-C175 7,207 #21 Posted July 21, 2021 (edited) 15 minutes ago, Gregor said: The pulley on the PTO is on the motor as far as it can possibly go. Makes me wonder about the placement of the Briggs on the frame. Maybe the engine is hanging out a little too far and the PTO pulley is not in the same plane as the idler? Edited July 21, 2021 by Jeff-C175 Share this post Link to post Share on other sites
Gregor 4,847 #22 Posted July 21, 2021 5 minutes ago, Jeff-C175 said: Makes me wonder about the placement of the Briggs on the frame. This is on my 125. 12hp Kohler on shaker plate with aluminum replacement mounts. Share this post Link to post Share on other sites
Jeff-C175 7,207 #23 Posted July 21, 2021 9 minutes ago, Gregor said: This is on my 125. 12hp Kohler on shaker plate with aluminum replacement mounts. Ohhhh... well that's odd then! Share this post Link to post Share on other sites
Jeff-C175 7,207 #24 Posted July 21, 2021 (edited) I was just poking around looking at various pulleys on the net and came across this information. My parts book lists a 7434 as the idler for the 175. It's been stated here that the 92-7101 is ultimately the current superseded part number. On 5/31/2021 at 11:47 PM, Lee1977 said: 7434 changed to 112425 changed to 92-7101 https://www.mfgsupply.com/mower/mowerpull/mowerpullflat.html This page shows that there may in fact be a bit of difference between the 7434 and the 92-7101 dimensions, but it's doubtful that it would make any operational difference, either will work obviously. The A and B dimensions are a little different. Not by much... the "B" dimension is 1/4" bigger on the 7101 and the "A" dimension is 1/2" bigger... more 'sidewall' so to speak. The larger B dimension would spin the idler a bit more slowly, probably a good thing. I can't vouch for the quality of these cheaper pulleys, but it seems that there are some dimensional differences if this page is to be believed. ADDED SIDE NOTE: The 6719 number is the idler pulley that is shown on the 05-42MS01 42" side discharge mower deck. So that 92-7101 part would fit either application. Good to know, don't need to keep 2 different spares 'in stock' if you run a 42SD ! Edited July 21, 2021 by Jeff-C175 Share this post Link to post Share on other sites
Lee1977 7,632 #25 Posted July 21, 2021 (edited) I have used a few of the unsealed bearings as Jeff posted but I only buy idlers with seal bearings. I can replace the seal bearings or pop the seal and add grease. Yes they cost three or times more then the unsealed and it took me fifty years of hard work to get able not to worry about the extra cost. Edited July 21, 2021 by Lee1977 1 Share this post Link to post Share on other sites