Jump to content
drewd

1987 416-8 manual lift linkage = sloppy

Recommended Posts

drewd

Hi All,

I've been cleaning up the "well used" 1987 416-8 that I picked up two years ago.  I am having an issue with the manual lift linkage.  When I got the machine the Lift Lever would not lock into place and when it did it would fail with the slightest pressure.  So I took it apart and cleaned and replaced the spring which was thin from rust and broken.  It now locks in place fine BUT has too much slop.  Meaning when it snaps into place the handle (and attached deck) drops back down a good bit and drops the mower so the wheels are touching the floor.  Handle held all the way back it hangs just nicely.  The handle is locked but it just has way too much play.  I did notice when I took it apart to clean and repair that the Rod-Latch Lift (the bottom 45 that enters the Latch Bracket) is not round.  The Latch Bracket looks fine (not wallowed out) so I'm thinking that the Rod has worn over the years and is causing the excessive play.  

 

My question is; should the bottom of the rod that enters the Latch Bracket be round?  If so; I will disassemble and build up some weld and grind to the full round dimension.  If not...any ideas what else could be the cause?  It's usable as is but would like to get it back  to work like the lift on my 75 Workhorse!

 

Thanks!

 

Share this post


Link to post
Share on other sites
 
biged77

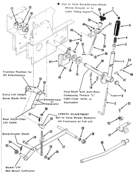
Exactly which parts are you talking about from the attached parts list?

 

I had a similar problem and had to adjust the chain lift (item 22).  

 

Ed

 

image.png.52fd3bbe1e67dfc7f1df1e11f04f73ae.png

Edited by biged77

Share this post


Link to post
Share on other sites
 
drewd

Hi Ed,  I did adjust the lift chain and it will lift up until the bumper hits the foot rest.  Also, part #2 Rod Latch Lift does engage in part #41 Latch Bracket and locks.  The problem is there is too much play in that connection and although locked and holding the play allows it to drop some when you let up on the handle.  The very end of part # 2 (where it engages in part #41) is not round and I was wondering if it should be round and as thick as it is further back from the engagement point?  If it is worn and thinner than it should be it could be creating the play. So when I pull the handle up to rase the mower up it lifts the mower and the Rod Latch Lift #2 locks but when I let go of the handle it drops a bit too much (but it is locked). I can live with it but need to hold the handle up to back into my shed.  After doing quite a bit of work fixing this up I would like to get it to function properly if possible.  Besides the rod #2 I was going to look at the washer welded on the bottom of the handle (part #1) that the rod (part #2) goes through. If that is worn and larger than it should be that would also create too much play.  Maybe it's both the end of rod #2 and the washer on the bottom of handle #1 being worn?  

 

Hope this makes some sense? Thanks, Drew

Share this post


Link to post
Share on other sites
 
biged77

I'll check part #2 on mine and let you know.  Were you having this problem before you changed the spring or did it show up afterwards?

 

Ed

Share this post


Link to post
Share on other sites
 
drewd

Before I changed the spring it would not lock in place at all.  You would lift it up and feel it "click" into place but could not hold.  The spring was rusted to half it's thickness and was also brocken in two.  Just did not have enough force to hold. The PO simply left it down all the time! 

Share this post


Link to post
Share on other sites
 
biged77

IMG_0782.JPG.d7f07d9232b452e6b0894bcff5defc20.JPGIMG_0783.JPG.0bd8ef810bdf48ee1b22071e7a5a59a1.JPGI checked mine and there is no wear, the rod is perfectly round where it engages.  I think you nailed the problem, repair or replace worn parts.  Good used parts should be reasonable based on the number of tractors being parted out.

Share this post


Link to post
Share on other sites
 
drewd

Thanks so much for checking!  I will disassemble the handle (again) and spray weld & grind back into shape.  Thanks again for your help!

Share this post


Link to post
Share on other sites
 

Create an account or sign in to comment

You need to be a member in order to leave a comment

Create an account

Sign up for a new account in our community. It's easy!

Register a new account

Sign in

Already have an account? Sign in here.

Sign In Now

×
×
  • Create New...